AT91SAM7S64C-AU
Atmel的AT91SAM7S是一系列基于32位ARM的低引脚数Flash
制造商:
产品信息
特点
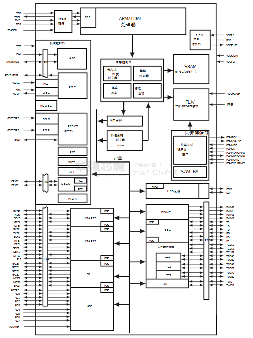
•集成了ARM7TDMI®ARM®拇指®处理器
- 高性能32位RISC架构
- 高密度的16位指令集
- 领先的MIPS /瓦
- 嵌入式ICE *™
在线仿真,调试通信通道支持
内部高速闪存
- 256字节,组织256字节1024页( AT91SAM7S256 )
- 128字节,组织512页,每页256字节( AT91SAM7S128 )
- 64千字节,组织512页的128字节( AT91SAM7S64 )
- 32字节,在256页的128字节组织( AT91SAM7S321 / 32 )
- 在高达30 MHz的在最坏的情况下单周期存取
- 预取缓冲优化Thumb指令的执行以最高速度
- 页编程时间: 6毫秒,包括页面自动擦除,全部擦除时间: 15毫秒
- 10,000写周期, 10年的数据保存能力,部门锁定功能,
闪存安全位
- 用于大批量生产的快速Flash编程接口
内部高速SRAM ,以最快的速度单周期访问
- 64千字节( AT91SAM7S256 )
- 32千字节( AT91SAM7S128 )
- 16千字节( AT91SAM7S64 )
- 8千字节( AT91SAM7S321 / 32 )
内存控制器( MC )
- 嵌入式Flash控制器,中止状态及汇率失调检测
复位控制器( RSTC )
- 基于上电复位和低功耗工厂校准欠压检测器
- 提供外部复位信号整形和复位源状态
时钟发生器(保留地)
- 低功耗RC振荡器, 3到20 MHz内部振荡器和一个PLL
电源管理控制器(PMC )
- 软件功耗优化功能,包括慢时钟模式(低至
500赫兹)和空闲模式
- 三个可编程的外部时钟信号
高级中断控制器( AIC )
- 单独屏蔽,八级优先级,向量中断源
- 二( AT91SAM7S256 / 128 /三百二十一分之六十四)或一个( AT91SAM7S32 )外部中断
源和一个快速中断源,伪中断保护
调试单元( DBGU )
- 2线UART和支持调试通信通道中断,
可编程ICE访问控制
周期性间隔定时器( PIT )
- 20位可编程计数器加12位间隔计数器
窗口看门狗( WDT)
- 12位密钥保护的可编程计数器
- 提供复位或中断信号系统
- 计数器可能会停止在处理器处于调试状态或空闲模式
实时定时器( RTT )
- 32位自由运行计数器与警报
- 逃跑的内部RC振荡器


