AT91SAM7S64
AT91SAM7S64是Atmel 32位ARM RISC 处理器小引脚数Flash微处理器家族的一员。
制造商:
产品信息
AT91SAM7S64是Atmel 32位ARM RISC 处理器小引脚数Flash微处理器家族的一员。它拥有64K 字节的高速Flash 和16K 字节的SRAM,丰富的外设资源,包括一个USB 2.0设备,使外部器件数目减至最低的完整系统功能集。这个芯片是那些正在寻求额外处理能力和更大存储器的8 位处理器用户的理想选择。
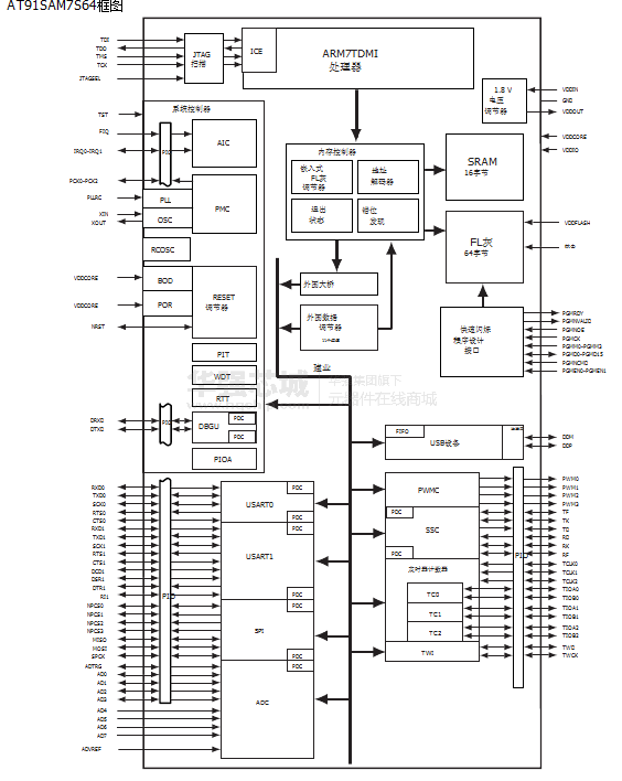
电路图、引脚图和封装图
应用案例
基于AT91SAM7S256单片机和TinyOS操作系统实现声传感器网络节点的设计
2021-05-05
Atmel | SMART SAM3S系列MCU:高集成与低功耗的完美结合
2026-02-12
基于AT9lSAM7S64芯片和A2919SLB驱动器实现心电图热敏打印机系统设计
2020-06-18
深入解析AT91SAM7SE512/256/32:强大的ARM基Flash MCU
2026-02-10
AT91SAM7S128解密成功,AT91系列单片机解密
2022-10-14
采用AT91RM9200处理器实现对两套导航计算机的测试设计
2019-01-04
基于AT91RM9200和滑动指纹传感器的指纹采集系统的设计与拼接
2018-12-06
基于AT91SAM9260和GPRS实现汽车记录仪的设计
2018-12-10



