AT90USB162-16AU
8位微控制器具有ISP功能的Flash 8 / 16K字节。
制造商:
产品信息
在8位AVR大型带USB接口的设备在出厂时配置了USB引导程序位于控制器的片上闪存的引导部分。此USB启动加载器允许从USB进行在系统编程主机控制器,而不从系统或除去部分没有预编程的应用程序,而没有任何外部编程接口。本文档介绍了USB启动加载器功能以及串行协议有效的片上闪存进行操作(闪光和EEPROM
) 。该AT90USB82 /
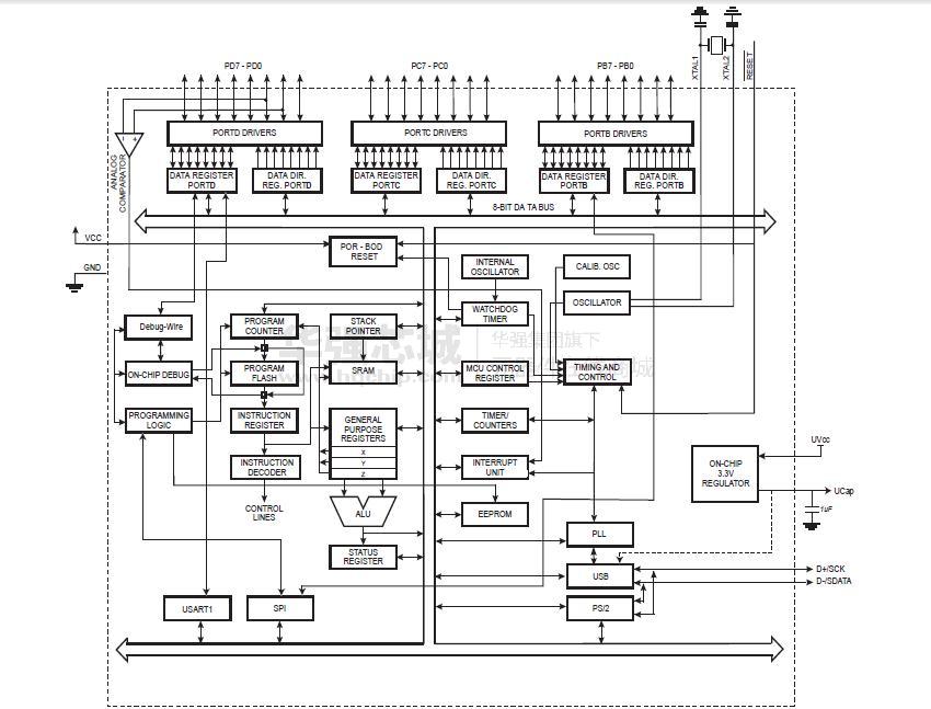
162是一款基于AVR的低功耗8位CMOS微控制器增强的RISC架构。通过exe-在一个时钟周期中三个琴键功能强大的指令,在AT90USB82 /
162的数据吞吐率每MIPS兆赫允许系统设计人员优化功耗和处理速度之间。
特点:
高性能,低功耗的AVR®8位微控制器
先进的RISC架构
- 125条指令 - 绝大多数为单时钟周期执行
- 32个8位通用工作寄存器
全静态工作
- 高达16 MIPS的吞吐量,在16兆赫
非易失性程序和数据存储器
- 对在系统内可编程的Flash 8K / 16K字节
耐力:10,000写/擦除周期
- 可选Boot代码区具有独立锁定位
USB引导装载程序在默认情况下,在出厂时编程
在系统编程通过片上引导程序后,硬件激活
RESET
真正的同时读 - 写操作
- 512字节EEPROM
- 耐力:100,000写/擦除周期
- 512字节的片内SRAM
- 可以对锁定的软件安全
与中断传输完成的USB 2.0全速设备模块
- 通用串行总线规范2.0版,完全符合
- 48 MHz的PLL全速总线操作:在12 Mbit / s的数据传输速率
- 完全独立的176字节USB双口RAM的端点内存分配
- 端点0为控制传输:从8至64个字节
- 4可编程端点:
IN或OUT方向
批量,中断和IsochronousTransfers
从8到64个字节•可编程最大数据包大小
可编程单或双缓冲
- 挂起/恢复中断
- 在USB总线复位单片机复位不分离
- 对微控制器的要求USB总线断开
- USB键盘复用PS / 2外围设备的单条电缆的能力
外设特性
- PS / 2标准键盘
- 一个8位定时器/计数器具有独立预分频器和比较模式(两个8位
PWM通道)
- 1个16位定时器/计数器具有独立预分频器,比较和捕获模式
( 3个8位PWM通道)
- USART与SPI主模式只和硬件流控制( RTS / CTS )
- 主/从SPI串行接口
- 可编程看门狗定时器具有独立的片上振荡器
- 片上模拟比较器
- 中断和唤醒引脚电平变化
片上调试接口( debugWIRE的)
单片机特性
- 上电复位和可编程欠压检测
- 内部振荡器校准
- 外部和内部中断源
- 五种休眠模式:空闲模式,省电模式,掉电,待机和扩展Standby
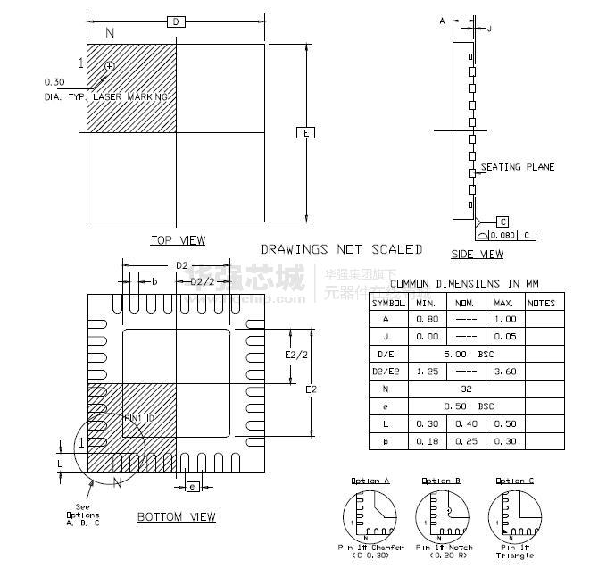
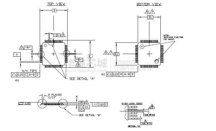
I / O和封装
- 22可编程I / O线
- QFN32 ( 5x5毫米) / TQFP32封装
工作电压
– 2.7 - 5.5V
工作温度
=工业( -40 ° C至+ 85°C )
最大频率
- 8兆赫在2.7V - 工业范围
- 为16 MHz在4.5V - 工业范围






