AT90PWM316-16MU
8位微控制器,带有16K字节的系统内可编程闪存。
制造商:
产品信息
该AT90PWM216 /
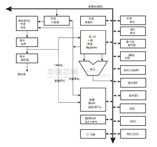
316是一款基于AVR的低功耗8位CMOS微控制器增强的RISC架构。通过在一个单一的时钟周期执行功能强大的指令,所述AT90PWM216 /
316的数据吞吐率高达1 MIPS每MHz,从而可以系统设计师在功耗和处理速度之间。
特点:
•高性能,低功耗的AVR ® 8位微控制器
•先进的RISC架构
- 129条指令 - 绝大多数为单时钟周期执行
- 32个8位通用工作寄存器
•全静态工作
- 高达1 MIPS的吞吐量每MHz
- 片上2周期乘法器
数据和非易失性程序存储器
- 16K字节的系统内可编程程序存储器的闪存
•耐力:10,000写/擦除周期
- 可选Boot代码区具有独立锁定位
在系统编程通过片上引导程序
真正的同时读 - 写操作
- 512字节的系统内可编程EEPROM
耐力:100,000写/擦除周期
- 1024字节的片内SRAM
- 可以对锁定的闪存程序存储器和EEPROM数据安全
片上调试接口( debugWIRE的)
外设特性
- 两个或三个12位高速PSC (功率级控制器)与4位
分辨率增强
•非重叠反向PWM输出引脚具有灵活的死区时间
•可变的PWM占空比和频率
•所有PWM寄存器的同步更新
•自动停止功能的事件驱动PFC实现
•在150 kHz的输出频率低于25Hz的步长
• PSC2有4个输出引脚和输出矩阵
- 一个8位通用定时器/计数器具有独立预分频器和捕获
模式
- 1个16位通用定时器/计数器具有独立预分频器,比较模式和拍摄模式
- 可编程的串行USART
•标准UART模式
• 16/17位双相模式DALI通信
- 主/从SPI串行接口
- 10位ADC
•多达11个单端通道和2个全差分ADC通道对
•可编程增益( 5倍, 10倍, 20倍, 40倍的差分通道)
•内部参考电压
- 10位DAC
- 两个或三个模拟比较器与电阻阵来调整比较电压
- 4外部中断
- 可编程看门狗定时器具有独立的片上振荡器
单片机特性
- 低功耗空闲模式,噪声抑制,模式和掉电模式
- 上电复位和可编程欠压检测
- 中位可编程I / O空间旗阵( 4字节)
- 在系统内通过SPI端口编程
- 内部标定RC振荡器( 8 MHz的)
- 片上PLL快速PWM ( 32兆赫, 64兆赫)和CPU ( 16兆赫)
•工作电压: 2.7V - 5.5V
•扩展工作温度:
- -40 °C至+ 105 °








