AT90CAN64
该AT90CAN32 / 64是一款基于AVR增强型低功耗8位CMOS微控制器RIS C结构。
制造商:
产品信息
该AT90CAN32 / 64是一款基于AVR增强型低功耗8位CMOS微控制器RIS C结构。通过在一个单一的时钟周期执行功能强大的指令,所述AT90CAN32 / 64的数据吞吐率高达1 MIPS每MHz,从而可以系统设计师在功耗和处理速度之间。
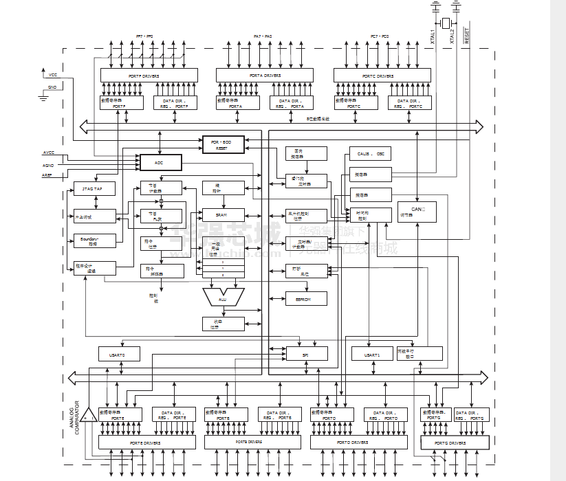
电路图、引脚图和封装图
应用案例
Kvaser发布最新CAN总线分析软件 - CanKing7—支持中文界面
2024-10-28
通过在单片机AT90C8535上实现直接PWM软件计算的方法
2019-11-26
采用mc9s12d64单片机和can接口收发器实现分布式热电阻智能节点设计
2020-03-17
高速CAN总线和低速CAN总线的特性
2024-01-31
基于AT91SAM7A3芯片和CAN收发器实现CAN/LIN网关的设计
2021-04-12
CAN与CANFD的区别 CAN与CANFD如何转换
2023-11-23
基于AT89C51单片机和CAN总线器件实现汽车轮差预警系统的设计
2021-04-12
基于AT89C51单片机和CAN总线控制器SJA1000设计中央空调控制系统
2020-04-09




