AT90CAN32-16AU
8-bit微控制器同32 / 64K字节ISP功能的Flash和CAN控制器。
制造商:
产品信息
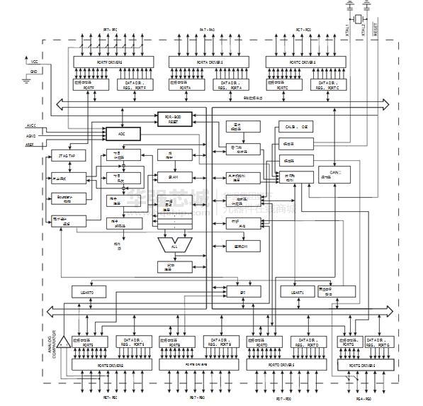
该AT90CAN32 / 64是一款基于AVR增强型低功耗8位CMOS微控制器RIS
C结构。通过在一个单一的时钟周期执行功能强大的指令,所述AT90CAN32 / 64的数据吞吐率高达1
MIPS每MHz,从而可以系统设计师在功耗和处理速度之间。AVR内核具有丰富的指令集和32个通用工作寄存器。所有32寄存器直接连接到算术逻辑单元(ALU)
,允许两个独立的寄存器中在一个时钟周期中执行一个指令来访问。由此产生的架构提高了代码效率,同时实现最高至10倍,比CON-快常规CISC微控制器。该AT90CAN32
/ 64提供了以下特点:在系统可编程32K / 64K字节闪现着同时读 - 写能力, 1K / 2K字节的EEPROM , 2K / 4K字节的SRAM ,
53 gen-ERAL通用I / O口线, 32个通用工作寄存器, CAN控制器,实时计数器( RTC ),四个灵活的定时器/计数器具有比较模式和PWM ,
2个USART ,一个字节面向两线串行接口, 8通道10位ADC具有可选差分输入级具有可编程增益的可编程看门狗定时器,内置振荡器,一个SPI串行端口,
IEEE标准。 1149.1标准的JTAG测试接口,也用于访问片上调试系统及编程和五个软件选择的省电模式。
特点:
•高性能,低功耗的AVR®8位微控制器
•先进的RISC架构
–133条指令
–大多数为单时钟周期执行
–32个8位通用工作寄存器+外设控制寄存器
–全静态操作
–高达16 MIPS的吞吐量,在16兆赫
–片上2周期乘数
非易失性程序和数据存储器
–32K /的系统内可编程的Flash 64K字节( AT90CAN32 / 64 )
•耐力:10,000写/擦除周期
–可选Boot代码区具有独立锁定位
•可选的引导大小: 1K字节, 2K字节, 4K字节或者8K字节
•在系统编程通过片上引导程序( CAN , UART )
•真正的同时读 - 写操作
–1K / 2K字节的EEPROM (耐力:100,000写/擦除周期) ( AT90CAN32 / 64 )
–2K / 4K字节内部SRAM ( AT90CAN32 / 64 )
–高达64K字节的可选外部存储器空间
–编程锁定为软件安全
JTAG ( IEEE 1149.1标准兼容)接口
–边界扫描功能根据JTAG标准
–编程的Flash (硬件ISP ) , EEPROM ,锁定&熔丝位
–丰富的片上调试支持
CAN控制器2.0A & 2.0B
–具有独立的标识标签和口罩15完整的邮件对象
–发送,接收,自动回复和帧缓冲接收模式
–频率为8 MHz 1Mbits / s的最大传输速率
–时间标记, TTC &聆听模式(间谍或自动波特率)
外设特性
–可编程看门狗定时器,带有片上振荡器
–8位同步定时器/计数器0
•10位预分频器
•外部事件计数器
•输出比较或8 - bit PWM输出
–8位异步定时器/计数器2
•10位预分频器
•外部事件计数器
•输出比较或8 - bit PWM输出
•32kHz振荡器用于RTC操作
–双通道16位同步定时器/计数器, 1 & 3
•10位预分频器
•输入捕捉噪声抑制器
•外部事件计数器
•3 ,输出比较或16 - bit PWM输出
•输出比较调制
–8通道, 10位SAR ADC
•8个单端通道
•7个差分通道
•2个差分通道具有可编程增益1倍, 10倍, 200倍或
–片上模拟比较器
–面向字节的两线串行接口
–两个可编程的串行USART
–主/从SPI串行接口
•编程的Flash (硬件ISP )
单片机特性
–上电复位和可编程的掉电检测
–内部标定RC振荡器
–8个外部中断源
–5睡眠模式:空闲模式, ADC噪声抑制,省电,掉电&待机
–软件可选的时钟频率
–全球拉禁用
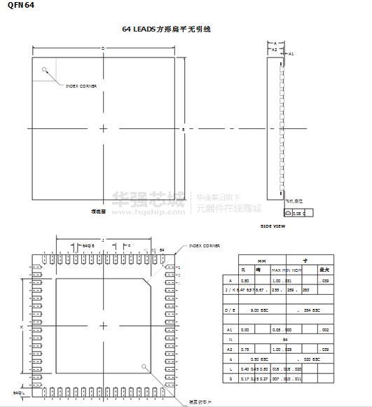
I / O和封装
–53可编程I / O线
–64引脚TQFP和64引脚QFN
工作电压
–2.7 - 5.5V
工作温度
–工业级(-40° C至+ 85°C )
最大频率
–8兆赫在2.7V - 工业范围
–为16 MHz在4.5V - 工业范围





