AT89S8253-24PU
8位微控制器,带有12K字节的Flash和2K字节EEPROM。
制造商:
产品信息
该AT89S8253是一种低功耗,高性能CMOS 8位微控制器12K字节的系统内可编程(
ISP)闪存程序存储器和2K字节EEPROM数据存储器。该器件采用Atmel的高密度非制造非易失性存储器技术,与工业标准的MCS
-51兼容指令集和引脚。片上下载Flash允许程序存储器中的储器,以通过SPI串行接口或通过一个可在系统编程传统的非易失性存储器编程。通过结合一个多功能的8位CPU一个单芯片上可下载的闪存,
Atmel的AT89S8253是一款功能强大微控制器提供了一个高度灵活和具有成本效益的解决方案很多嵌入式控制应用。
特点:
•兼容MCS®产品-51
•在系统可编程( ISP)闪存程序存储器12K字节
- 对下载程序的SPI串行接口
•耐力:10,000写/擦除周期
2K字节的EEPROM数据存储器
- 耐力:100,000写/擦除周期
64字节用户签名数组
2.7V至5.5V工作电压范围
全静态操作: 0 Hz至24 MHz的
三级程序存储器锁定
256 ×8位内部RAM
32个可编程I / O线
3个16位定时器/计数器
九中断源
增强型UART串行口与帧错误检测和自动
地址识别
增强的SPI (双读/写缓冲)串行接口
低功耗空闲和掉电模式
恢复中断从掉电模式
可编程看门狗定时器
双数据指针
断电标志
灵活的ISP编程(字节和页模式)
- 页面模式: 64字节/页的程序存储器, 32字节/页的数据存储器
四级增强型中断控制器
可编程和Fuseable X2时钟选项
内部上电复位
42引脚PDIP封装选项,可降低EMC辐射
绿色(无铅/无卤化物)的包装选项
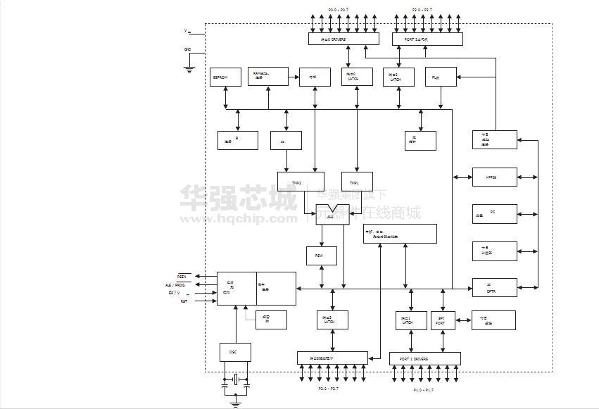
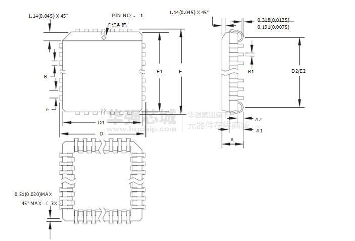
电路图、引脚图和封装图
技术资料
应用案例
LT8253/LT8253A:汽车USB - C电源传输的理想之选
2026-03-04
AT89S51单片机各引脚的功能解析
2019-10-23
芯圣电子兼容STM8S003的王牌选手-HC89S003A系列
2022-09-15
芯圣电子兼容STM8S003的王牌选手-HC89S003A系列
2022-09-15
芯圣电子兼容STM8S003的王牌选手-HC89S003A系列
2022-09-15
芯圣SDK工具,让开发更方便——SDK-HC89S105A
2024-01-17
芯圣SDK工具 让开发更方便——HC89S103K6
2024-01-10
芯圣SDK工具----SDK-HC89S003A
2024-01-05









