AT89LP52-20PU
8位微控制器具有8K字节的系统内可编程闪存。
制造商:
产品信息
特点
•8位微控制器兼容产品8051
•增强型8051架构
- 每字节单时钟周期取
- 每个机器周期的兼容模式12个时钟
- 高达20 MIPS的吞吐量,在20 MHz的时钟频率
- 全静态操作: 0 Hz至20 MHz的
- 片上2周期硬件乘法器
- 256 ×8的内部RAM
- 外部数据/程序存储器接口
- 双数据指针
- 4级中断优先级
非易失性程序和数据存储器
- 4K /在系统可编程( ISP)的8K字节闪存程序存储器
- 256字节闪存数据存储器
- 256字节的用户签名数组
•耐力:10,000写/擦除周期
- 程序下载串行接口
- 64字节快速页面编程模式
- 三级程序存储器锁定为软件安全
- 在应用编程程序存储器
外设特性
- 3个16位定时器/计数器,时钟输出模式
•增强型UART。
- 自动地址识别
- 帧错误检测
• SPI和TWI仿真模式
- 可编程看门狗定时器软件复位和预分频器
单片机特性
- 掉电检测和上电复位与掉电标志
- 可选择极性外部复位引脚
- 低功耗空闲和掉电模式
- 恢复中断从掉电模式
- 内部1.8432 MHz的辅助振荡器
I / O和封装
- 多达36可编程I / O线
- 绿色(无铅/无卤化物)的软件包
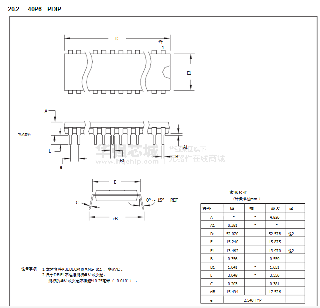
- 40引脚PDIP
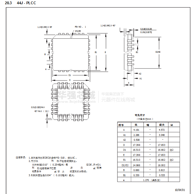
• 44引脚TQFP / PLCC
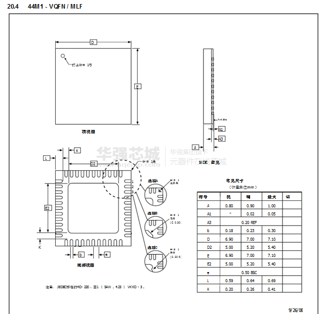
• 44 - VQFN垫/ MLF
- 可配置端口模式(每8位端口)
•准双向口( 8051款)
•仅为输入(三态)
•推挽输出CMOS
•开漏
工作条件
- 2.4V至5.5V VCC
电压范围
- -40 ° C至85°C温度范围
- 0到20 MHz @ 2.4V - 5.5V
- 0到25MHz @ 4.5V - 5.5V
电路图、引脚图和封装图
在线购买
型号:AT89LP52-20PU
描述:-









