AT89C51RB2-SLSUM
8位微控制器,带有16K / 32K字节的闪存。
制造商:
产品信息
描述:
该AT89C51RB2 / RC2是80C51 8位的高性能Flash版本的微控制器。它包含了用于程序和数据的16K或32K字节Flash存储器块。闪存存储器可以通过并行方式或串行方式进行编程ISP的功能或软件。编程电压在内部产生
从标准的VCC引脚。
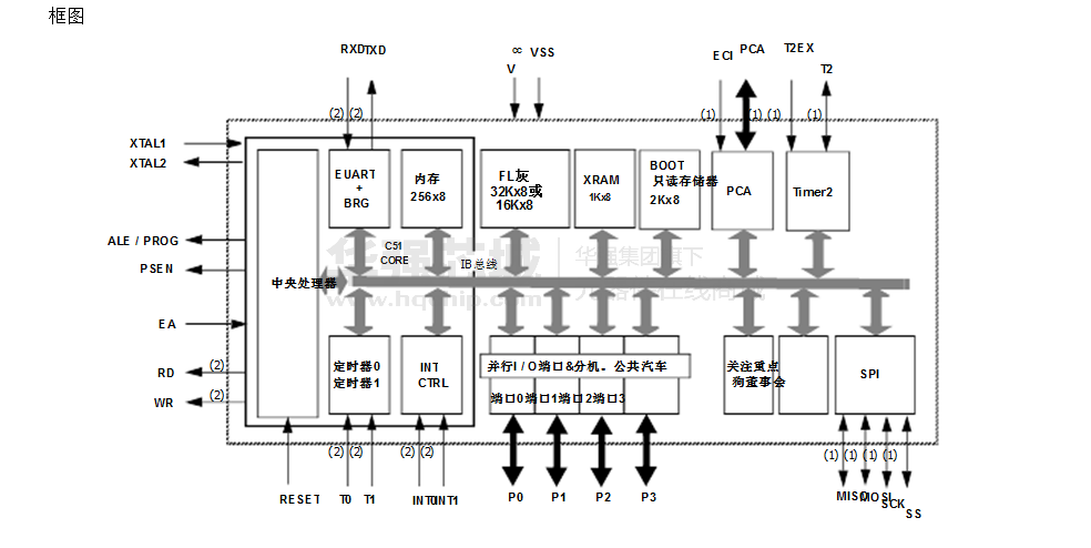
该AT89C51RB2 / RC2保留了80C52与256字节的内部所有功能RAM , 9源4级中断控制器和3个定时器/计数器。此外, AT89C51RB2 / RC2具有可编程计数器阵列,一个XRAM1024字节,一个硬件看门狗定时器,键盘接口,一个SPI接口,一个便于多机通信更灵活的串行通道( EUART )和一速度改进机制(X2模式)。
该引脚是标准的40/44引脚C52的。
全静态设计降低了AT89C51RB2 / RC2由系统功耗允许它带来的时钟频率降低到任何值,即使直流,而不会丢失数据。
该AT89C51RB2 / RC2有2个软件可选活性降低的模式和8位时钟分频器,从而进一步降低功耗。在空闲模式下, CPU是fro-禅而外设和中断系统仍在运行。在掉电模式下, RAM保存等所有功能都不起作用。在AT89C51RB2 / RC2的附加功能,使其功能更强大的应用程序这种需要脉宽调制,高速I / O和计数功能,如报警器,电机控制,有绳电话,而智能卡读卡器。
特点:
1、80C52兼容
- 8051引脚和指令兼容
- 4个8位I / O端口
- 3个16位定时器/计数器
- 256字节便签RAM
- 9中断源, 4个优先级
- 双数据指针
2、可变长度MOVX慢速RAM /外设
3、ISP (在系统编程)使用标准的 VCC电源
4、引导ROM包含低级别闪存编程程序和默认的序列
装载机
5、高速架构
- 在标准模式:
40兆赫(VCC为2.7V至5.5V ,内部和外部代码执行)
60兆赫(VCC为4.5V至5.5V,内部代码执行只)
- 在X2模式( 6时钟/机器周期)
20兆赫(VCC为2.7V至5.5V ,内部和外部代码执行)
30兆赫(VCC为4.5V至5.5V,内部代码执行只)
- 16K / 32K字节的片上闪存程序/数据存储器
- 字节和页( 128字节)的擦除和写入
- 100K的写周期
6、片上1024字节扩展RAM ( XRAM )
- 软件可选尺寸( 0 , 256 , 512 , 768 , 1024字节)
- 256字节复位入选TS87C51RB2 / RC2兼容性
7、键盘中断接口的端口P1
8、SPI接口(主/从模式)
9、8位时钟预分频器
10、有独立选择的CPU和每个外设改善X2模式
11、可编程计数器阵列5频道
- 高速输出
- 比较/捕获
- 脉冲宽度调制器
- 看门狗定时器功能
12、异步端口复位
13、全双工增强型UART。
14、专用波特率发生器UART
15、低EMI (禁止ALE )
16、硬件看门狗定时器(一次性启用带有复位输出)
17、功率控制模式
•空闲模式
•掉电模式
- 断电标志
18、电源:
- 2.7至3.6 ( 3V版)
- 2.7至5.5V ( 5V版)
19、温度范围:商业( 0到+ 70 ° C)和工业级(-40° C至+ 85°C )
20、包: PDIL40 , PLCC44 , VQFP44



