AT89C51ED2-SLSUM
8位闪存微控制器。
制造商:
产品信息
描述:
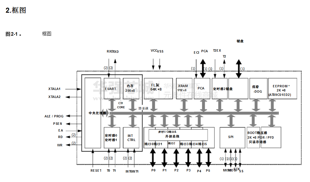
AT89C51RD2 / ED2是高性能CMOS Flash版本80C51 CMOS单芯片8位的位微控制器。它包含的代码和数据的64K字节闪存块。
64 KB闪存存储器可以通过并行方式或串行方式进行编程ISP的功能或软件。编程电压在内部从生成的标准VCC引脚。
该AT89C51RD2 / ED2保留了所有的Atmel公司80C52的功能,具有256字节的内部RAM , 9源4级中断控制器和3个定时器/计数器。该AT89C51ED2亲志愿组织2048字节的EEPROM非易失性数据存储。
此外, AT89C51RD2 / ED2具有可编程计数器阵列, 1792年的XRAM字节,一个硬件看门狗定时器, SPI接口,键盘,更通用的串行通道便于多机通信( EUART )和速度改进机制( X 2模式)。
在AT89C51RD2 / ED2的全静态设计允许通过,以降低系统功耗使时钟频率降低到任何值,包括直流,而不会丢失数据。
该AT89C51RD2 / ED2有2个软件可选活性降低的模式和8位时钟预分频器,进一步降低功耗。在空闲模式下,CPU被冻结,而外设和中断系统仍在运行。在掉电模式下, RAM是保存等所有功能都不起作用。
在AT89C51RD2 / ED2的附加功能,使其功能更强大的对需要的应用脉冲宽度调制,高速I / O和计数功能,如报警,电机控制,有绳电话和智能卡读卡器。
特点:
1、80C52兼容
- 8051指令兼容
- 6个8位I / O端口( 64引脚或68引脚版本)
- 4个8位I / O端口( 44引脚版)
- 3个16位定时器/计数器
- 256字节便签RAM
- 9中断源, 4个优先级
2、综合电力监控( POR / PFD )监督内部电源
3、ISP (在系统编程)使用标准的V CC电源
4、2048字节的引导ROM包含低级别闪存编程程序和默认
系列装载机
5、高速架构
- 在标准模式:
• 40兆赫(VCC为2.7V至5.5V ,内部和外部代码执行)
• 60兆赫(VCC为4.5V至5.5V,内部代码执行只)
- 在X2模式( 6时钟/机器周期)
• 20兆赫(VCC为2.7V至5.5V ,内部和外部代码执行)
• 30兆赫(VCC为4.5V至5.5V,内部代码执行只)
6、64K字节片上闪存程序/数据存储器
- 字节和页( 128字节)的擦除和写入
- 100K的写周期
7、片上1792字节扩展RAM ( XRAM )
- 软件可选尺寸( 0 , 256 , 512 , 768 , 1024 , 1792字节)
- 768字节复位入选T89C51RD2兼容性
8、片上2048字节EEPROM的块数据存储( AT89C51ED2只)
9、100K的写周期
10、双数据指针
11、可变长度MOVX慢速RAM /外设
12、有独立选择的CPU和每个外设改善X2模式
13、键盘中断接口的端口1
14、SPI接口(主/从模式)
15、8位时钟预分频器
16、16位可编程计数器阵列
- 高速输出
- 比较/捕获
- 脉冲宽度调制器
- 看门狗定时器功能
17、异步端口复位
18、全双工增强型UART与内部专用波特率发生器
19、低EMI (禁止ALE )
20、硬件看门狗定时器(一次性启用带有复位输出) ,断电标志
21、功率控制模式:空闲模式,掉电模式
22、单电源范围: 2.7V至5.5V
23、工业级温度范围(-40℃至+ 85°C )
24、封装: PLCC44 , VQFP44 , PLCC68 , VQFP64





