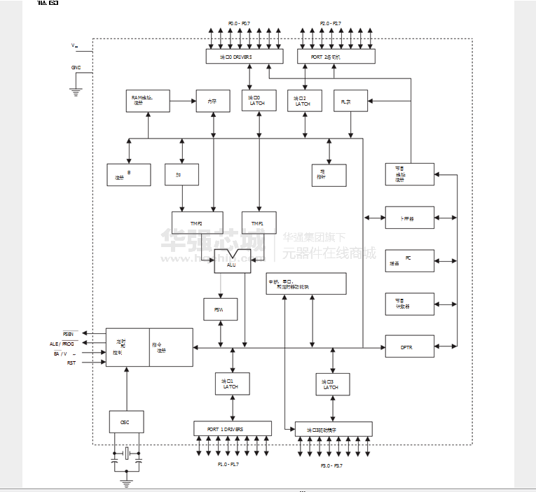
AT89C51-24PI
8位微控制器与4K字节的Flash。
制造商:
产品信息
描述:
该AT89C51是一种低功耗,高性能CMOS 8位单片机与4K闪存可编程可擦除只读存储器( PEROM )的字节数。该器件采用Atmel的高密度非易失性存储器技术制造并与行业标准的MCS- 51 ™指令集和引脚兼容。该片上Flash允许程序存储器在系统或一个反面重新编程常规的非易失性存储器编程。通过结合一个多功能8位CPU,闪烁的单片芯片上, Atmel的AT89C51是一种功能强大的微型计算机提供了一个高度灵活和具有成本效益的解决方案为许多嵌入式控制应用程序阳离子。
特点:
1、兼容MCS- 51 ™产品
2、在系统内可编程Flash存储器的4K字节
- 耐力: 1000写/擦除周期
3、全静态操作: 0 Hz至24 MHz的
4、三级程序存储器锁定
5、128 ×8位内部RAM
6、32个可编程I / O线
7、2个16位定时器/计数器
8、6个中断源
9、可编程串行通道
10、低功耗空闲和掉电模式








