AT28C256-15PU
AT28C256是一个高性能的电可擦可编程只读只有记忆
制造商:
产品信息
该AT28C256是一个高性能的电可擦可编程只读只有记忆。它的内存256K是由8位, 32,768字。制造捕获的原始图像与Atmel先进的非易失性CMOS技术,该器件提供接入倍至150 ns的只有440毫瓦的功耗。当设备被取消,在CMOS待机电流小于200微安
特点
快速读取访问时间 - 150纳秒
自动页写操作
- 内部地址和数据锁存为64字节
-内部控制定时器
快速写周期时间
- 页写周期时间: 3毫秒或10毫秒最大
- 1到64字节页写操作
低功耗
- 50毫安工作电流
- 200 μA CMOS待机电流
硬件和软件数据保护
数据轮询写入检测结束
高可靠性的CMOS技术
- 耐力: 104或105
周期
- 数据保存:10年
单5V±10 %供应
CMOS和TTL兼容输入和输出
JEDEC批准字节宽引脚
充分的军事和工业温度范围
绿色(无铅/无卤化物)的包装选项
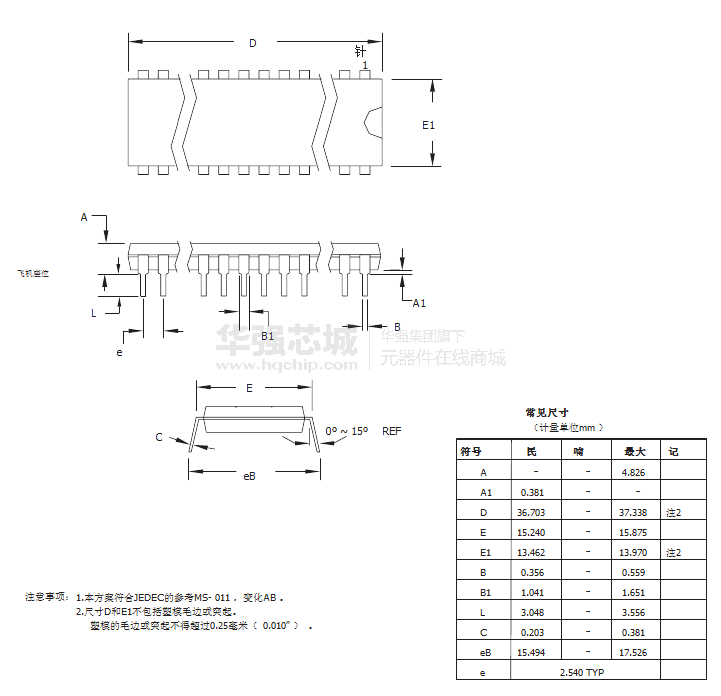
电路图、引脚图和封装图
应用案例
传iPhone 15系列8月开始量产,预计出货增长12%至8400万台
2023-07-09
iPhone 15系列生产或将延迟 因摄像头传感器良品率问题
2023-05-16
CPU1500之循环的定义
2021-03-02
探索存储新未来:为何EVASH EV24C256A EEPROM成为市场新宠
2024-09-05
串行EEPROM P24C256H产品介绍
2025-08-09
国巨集团将推出两款四端分流电阻PU1216和PU2726
2025-03-14
智控操作平台ED-PU9620带来“智慧办公”新标杆
2023-03-29
GPU-Z发布最新版2.28.0 竟新增支持一批古老的ATI显卡
2019-12-10








