AT25640B-SSHL-T
所述装置被用于很多工业和商业应用中优化的其中
制造商:
产品信息
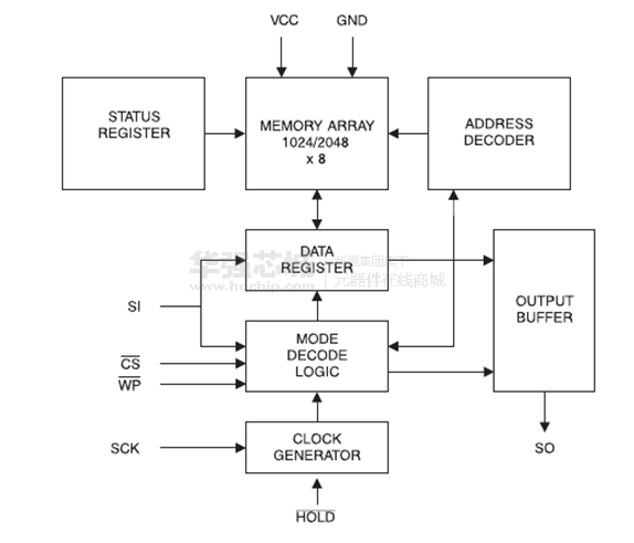
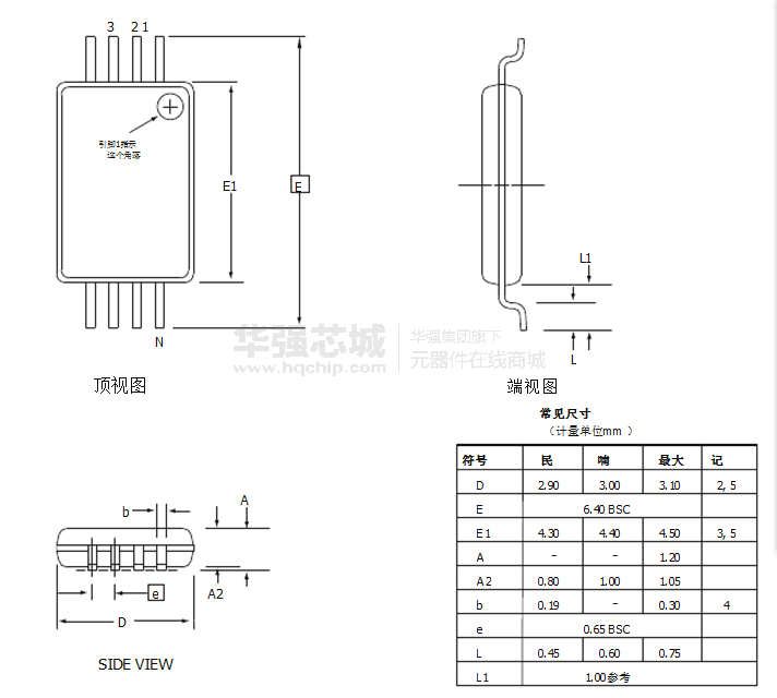
爱特梅尔®AT25320B / 640B提供32768- / 65536位串行电可擦除组织为8位八千一百九十二分之四千〇九十六词语可编程只读存储器(EEPROM)每一个。所述装置被用于很多工业和商业应用中优化的其中,低功耗和低电压操作是必不可少的。该AT25320B / 640B是采用节省空间的8引脚SOIC JEDEC , 8引脚UDFN , 8引脚XDFN , 8引脚TSSOP和8球VFBGA包。
优势特点
串行外设接口(SPI )兼容
支持SPI模式0 (0,0)和3 (1,1)的
- 数据描述模式0操作
低电压和标准电压工作
– 1.8 (VCC= 1.8V至5.5V )
20MHz的时钟速率( 5V )
32字节的页面模式
块写保护
- 保护1/4,1/2 ,或整个阵列
写保护( WP )引脚和写禁止指令的硬件和软件
数据保护
自定时写周期( 5ms的最大值)
高可靠性
- 耐力:一百万次擦写循环
- 数据保存:100年
绿色(无铅/无卤化物/ RoHS标准)的包装选项
模具销售:晶圆形式,磁带和卷轴,以及晶圆凸点
规格参数
| 类别 | 集成电路(IC) | |
|---|---|---|
| 存储器 | ||
| 制造商 | Microchip Technology | |
| 包装 | 剪切带(CT) | |
| 存储器类型 | 非易失 | |
| 存储器格式 | EEPROM | |
| 技术 | EEPROM | |
| 存储容量 | 64Kb (8K x 8) | |
| 时钟频率 | 20MHz | |
| 写周期时间 - 字,页 | 5ms | |
| 存储器接口 | SPI | |
| 电压 - 电源 | 1.8 V ~ 5.5 V | |
| 工作温度 | -40°C ~ 85°C(TA) | |
| 安装类型 | 表面贴装 | |
| 封装/外壳 | 8-SOIC(0.154",3.90mm 宽) | |
| 供应商器件封装 | 8-SOIC | |
| 基本零件编号 | AT25640 |
电路图、引脚图和封装图
应用案例
FM25640B 64 - Kbit 串行 F - RAM:高性能非易失性存储器的理想之选
2026-01-16
【试用体验】晶心ADP-Corvette-T1编程驱动WS2812B炫彩LED
2022-06-26
奕斯伟计算通过德国莱茵TÜV ASIL-B功能安全认证
2025-06-20
Cadence virtuoso模拟仿真技术介绍
2024-02-19
AT&T通信首席预测,苹果推出5G iPhone销售会不如预期
2020-09-22
变压器“三角形接线”和“星形接线”接法详解
2024-02-19
不同材料在晶圆级封装中的作用
2024-02-19
铠侠和西部数据将共同投资量产尖端半导体
2024-02-19







