AT25640B-SSHL
所述装置被用于很多工业和商业应用中优化的其中
制造商:
产品信息
爱特梅尔®AT25320B / 640B提供32768- / 65536位串行电可擦除组织为8位八千一百九十二分之四千〇九十六词语可编程只读存储器(EEPROM)每一个。所述装置被用于很多工业和商业应用中优化的其中,低功耗和低电压操作是必不可少的。该AT25320B / 640B是采用节省空间的8引脚SOIC JEDEC , 8引脚UDFN , 8引脚XDFN , 8引脚TSSOP和8球VFBGA包。
优势特点
特点
串行外设接口(SPI )兼容
支持SPI模式0 (0,0)和3 (1,1)的
- 数据描述模式0操作
低电压和标准电压工作
– 1.8 (VCC= 1.8V至5.5V )
20MHz的时钟速率( 5V )
32字节的页面模式
块写保护
- 保护1/4,1/2 ,或整个阵列
写保护( WP )引脚和写禁止指令的硬件和软件
数据保护
自定时写周期( 5ms的最大值)
高可靠性
- 耐力:一百万次擦写循环
- 数据保存:100年
绿色(无铅/无卤化物/ RoHS标准)的包装选项
模具销售:晶圆形式,磁带和卷轴,以及晶圆凸点
SPI串行
EEPROM的
32K ( 4096 ×8 )
64K ( 8192 ×8 )
ATMEL
AT25320B
AT25640B
规格参数
| 类别 | 集成电路(IC) |
|---|---|
| 存储器 | |
| 制造商 | Microchip Technology |
| 包装 | 管件 |
| 零件状态 | 在售 |
| 存储器类型 | 非易失 |
| 存储器格式 | EEPROM |
| 技术 | EEPROM |
| 存储容量 | 64Kb (8K x 8) |
| 时钟频率 | 20MHz |
| 写周期时间 - 字,页 | 5ms |
| 存储器接口 | SPI |
| 电压 - 电源 | 1.8 V ~ 5.5 V |
| 工作温度 | -40°C ~ 85°C(TA) |
| 安装类型 | 表面贴装 |
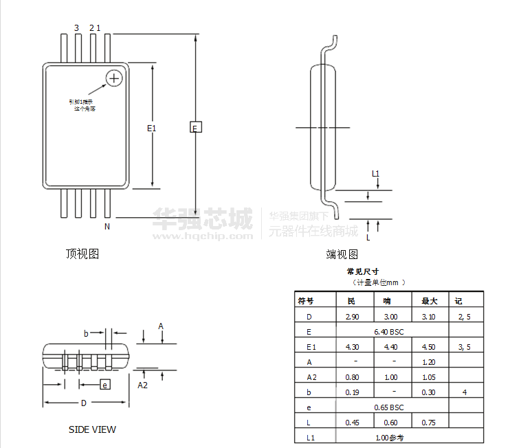
| 封装/外壳 | 8-SOIC(0.154",3.90mm 宽) |
| 供应商器件封装 | 8-SOIC |
| 基本零件编号 | AT25640 |







