AT24CS08-SSHM-T
I2C兼容( 2线)串行EEPROM。
制造商:
产品信息
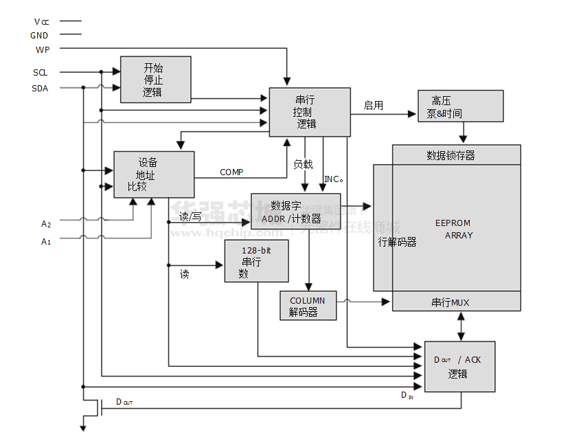
爱特梅尔®AT24CS04和AT24CS08提供八千一百九十二分之四千○九十六比特的串行电可擦除可编程只读组织为每个八位512/1024字存储器(EEPROM) 。该装置被用在许多优化工业和商业应用中,低功率和低电压操作是必不可少的。该AT24CS04 / 08在节省空间的8引脚SOIC JEDEC , 8引脚TSSOP , 8 -垫UDFN和5引脚SOT23封装,是通过2线串行接口访问。此外,这两种设备完全从1.7V至5.5VV操作
该AT24CS04 / 08提供了编程的一个工厂的附加功能,保证唯一的128位序列号,同时保持所有的传统特色,可以在4千位或8 - Kbit的串行EEPROM 。的耗时步骤执行,并确保在生产线上的产品的真实序列,可从生产流程中删除通过采用CS系列串行EEPROM 。第128位的序列号被编程和永久锁定在Atmel公司生产过程中将来写作。另外,该128位的位置不消耗任何用户的读4千位或8千位串行EEPROM /写区域。的序列号的唯一横跨有保证整个CS系列串行EEPROM ,不管存储器阵列的大小或接口协议的类型。这也就是说,作为内存大小或接口协议的应用程序的需求演变的后代,任何以前从任何爱特梅尔CS系列串行EEPROM的一部分部署的序列号将仍然有效。
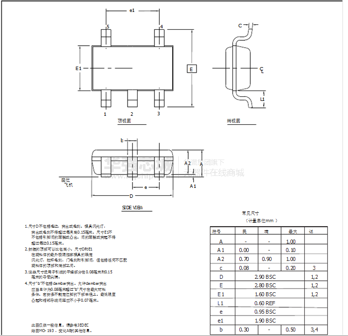
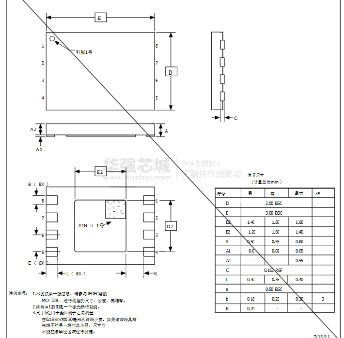
电路图、引脚图和封装图
在线购买
型号:AT24CS08-SSHM-T
描述:-
应用案例
ADS131M08 24 位、32kSPS、8 通道、同步采样、Δ-Σ ADC技术手册
2025-11-04
AT24C04/08只读存储器各引脚功能及电压
2008-01-17
串行EEPROM芯片串行AT24C08C
2018-04-14
长安CS55:一款14万元不到的紧凑型SUV,搭1.5T+6AT
2017-07-07
Michael Terpin起诉AT&T,手机遭到黑客攻击损失2400万美元数字资产
2018-08-17
AT21CS01串行EEPROM与竞品的对比
2015-11-09
华为P10将于3.24日18:08京东开抢,P9要降价?
2017-03-22
DC音量调节应用方法,EUA6019/EUA6011/TPA6011/CS6219
2018-10-14









