AT24C256C-XHL-B
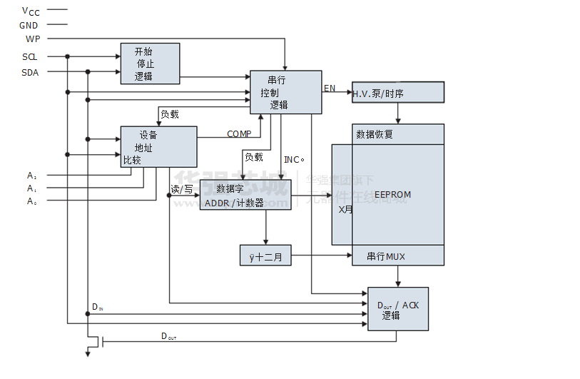
该AT24C256C提供262144位串行电可擦除和组织成8比特的32768个词语的可编程只读存储器(EEPROM)中每一个。
制造商:
产品信息
低电压和标准电压工作
VCC= 1.7V至5.5V
内部组织为32,768 ×8
两线串行接口
施密特触发器滤波输入抑制噪声
双向数据传输协议
1兆赫( 5.0V , 2.7V , 2.5V )和400 kHz ( 1.7V )的兼容性•
写保护引脚用于硬件和软件数据保护
64字节页写模式(部分页写允许)
自定时写周期( 5 ms以下)
高可靠性
耐力:一百万次擦写循环
数据保存期:40岁
提供无铅/无卤设备
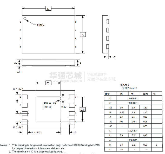
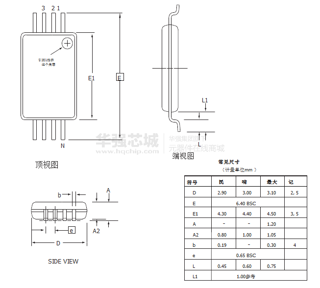
8引脚SOIC JEDEC , 8引脚UDFN , 8引脚TSSOP和8球VFBGA封装
模具销售:晶圆形式,松饼包撞到晶圆






