AT24C16BN-SH-T
2线串行EEPROM。
制造商:
产品信息
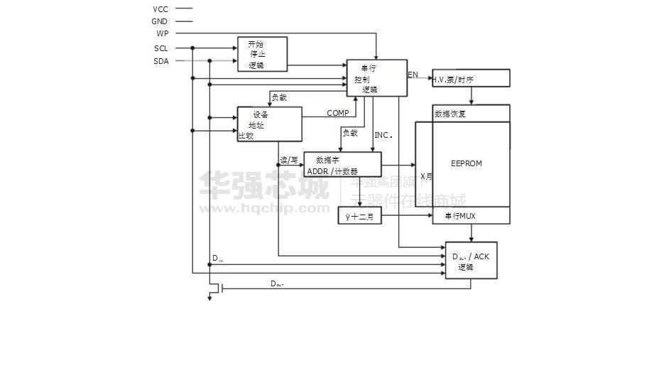
该AT24C16B提供16384位串行电可擦除和可编程只读组织存储器(EEPROM)中as2048字8位每一个。该装置是用在许多工业优化和广告应用其中,低功率和低电压操作是必不可少的。该AT24C16B是可用的在节省空间8-leadPDIP
,8-leadJEDECSOIC , 8引脚超薄迷你地图( MLP 2×3 ),5-leadSOT23封装, 8引脚超薄引线框架焊盘网格阵列( ULA
)8-leadTSSOP ,和8球dBGA2包和is访问通过a两线串行接口。在此外,该AT24C16B是可用的在1.8V ( 1.8V至5.5V
)版本。
优势特点
AT24C16BN-Sh-T,采用SOIC封装方式。
产品种类:EEPROM
存储容量:16Kbit
组织:2Kx8
封装/箱体:SOIC
接口类型:2-Wire
最大时钟频率:1MHz
电源电压(最大值):3.6V
电源电压(最小值):1.8V
最大工作电流:3mA
最大工作温度:+85C
最小工作温度:-40C
工作电源电压:2.5Vor3.3V






