AT24C02C-PUM
两线串行电可擦除和可编程只读存储器
制造商:
产品信息
爱特梅尔®AT24C02C提供2048位串行电可擦除和编程序的只读组织成256字的每一个8位存储器(EEPROM)
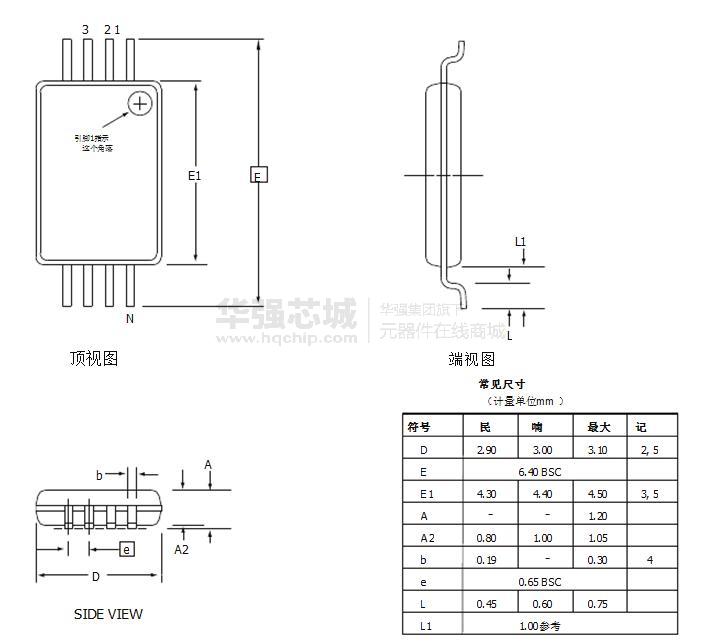
。该装置被用于许多工业和商业应用优化的,其中低功率和低电压操作是必不可少的。该AT24C02C是节省空间可用节省8引脚PDIP , 8引脚TSSOP ,
8引脚SOIC JEDEC , 8引脚UDFN,5-leadSOT23和8球VFBGA封装,通过一个两线串行接口访问。
特点:
低电压和标准电压工作
– VCC= 1.7V至5.5V
内部分为256 ×8 ( 2K )
两线串行接口
施密特触发器滤波输入抑制噪声
双向数据传输协议
为1MHz ( 5V )和400kHz ( 1.7V , 2.5V , 2.7V )兼容
写保护引脚用于硬件数据保护
8字节( 2K )写模式
允许页面局部写入
自定时写周期( 5ms的最大值)
高可靠性
- 耐力: 100万次擦写循环
- 数据保存:100年
绿色(无铅/无卤化物/ RoHS标准)封装选项
模具销售:晶圆形式和编带和卷轴







