24C04
二线制串行 EEPROM
制造商:
产品信息
概述与特点:
AT24C01/02/04/08/16 是低工作电压的 1K/2K/4K/8K/16K 位串行电可擦除只读存储器,内部组织为 128/256/512/1024/2048 个字节,每个字节 8 位,该芯片被广泛应用于低电压及低功耗的工商业领域。
优势特点
主要特性
� 工作电压:1.8V~5.5V
� 输入/输出引脚兼容 5V
� 应用在内部结构:
128x8(1K),256x8(2K),512x8(4K),1024x8(8K),2048x8(16K) � 二线串行接口
� 输入引脚经施密特触发器滤波抑制噪声
� 双向数据传输协议
� 兼容 400KHz(1.8V,2.5V,2.7V,3.6V )
� 支持硬件写保护
� 高可靠性:读写次数:1,000,000 次 – 数据保存:100 年
规格参数



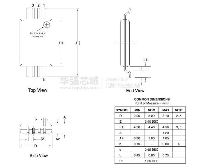
电路图、引脚图和封装图
在线购买
型号:AT24C08C-PUM_SL425
描述:-
型号:AT24C16 PI 25
描述:-
型号:AT24C16C-MAHM-T/BKN
描述:-
型号:AT24C16D-SSHM-B
描述:-
型号:AT24C16D-XHM-T
描述:-
型号:AT24C16D-STUM-T
描述:-





