AR0237 RGB-IR
2 MP 1/2.7" RGB-IR CMOS Image Sensor
制造商:ON
产品信息
The AR0237 RGB-IR is a 1/2.7-inch CMOS digital image sensor with an active-pixel array of 1928 (H) x 1088 (V). It captures images in either linear or high dynamic range modes with a rolling-shutter readout, and includes sophisticated camera functions such as in-pixel binning, windowing and both video and single frame modes. It is designed for both low light and high dynamic range scene performance, and is programmable through a simple two-wire serial interface.The AR0237 RGB-IR integrates the ability to take daytime color imaging and nighttime near-IR imaging in one sensor without the need for a mechanical IR-cut filter which can be loud, large, cause refocusing issues and expensive to maintain , and ideal for home security and other monitoring applications where lighting conditions can change drastically during the times when the camera is expected to work.
- Superior low-light performance
- DR-PIX (TM) technology with Dual Conversion Gain
- Full HD support at up to 1080p 60 fps for superior video performance
- Linear or high dynamic range capture
- On-chip phase-locked loop (PLL) oscillator
- Supports line interleaved T1/T2 readout to enable HDR processing in ISP chip
- Support for external mechanical shutter
- Integrated position-based color and lens shading correction
- Slave mode for precise frame-rate control
- Stereo/3D camera support
- Statistics engine
- Four-lane serial high-speed pixel interface (HiSPi), differential signaling (SLVS and HiVcm), or parallel data interface
- Auto black level calibration
- High-speed configurable context switching
- Temperature sensor
- Support 4 x 4 RGB-IR pixel pattern
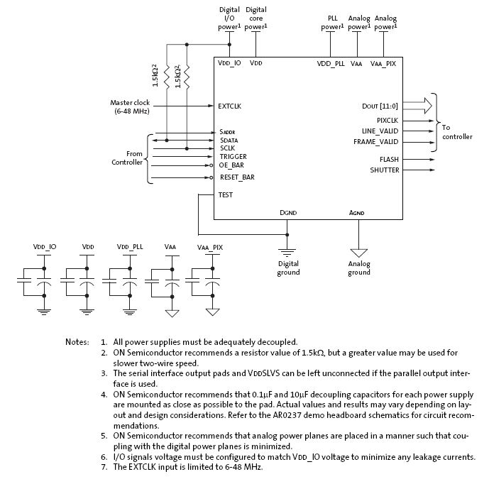
电路图、引脚图和封装图
技术资料
应用案例
找方案 | 晶像光电 SOI JX-F53SA RGB-IR CMOS Image Sensor+伟诠WT8932 ISP 方案
2022-11-09
找方案 | 晶像光电 SOI JX-F53SA RGB-IR CMOS Image Sensor+伟诠WT8932 ISP 方案
2022-11-09
找方案 | 晶像光电 SOI JX-F53SA RGB-IR CMOS Image Sensor+伟诠WT8932 ISP 方案
2022-11-09
找方案 | 晶像光电 SOI JX-F53SA RGB-IR CMOS Image Sensor+伟诠WT8932 ISP 方案
2022-11-09
找方案 | 晶像光电 SOI JX-F53SA RGB-IR CMOS Image Sensor+伟诠WT8932 ISP 方案
2022-11-09
找方案 | 晶像光电 SOI JX-F53SA RGB-IR CMOS Image Sensor+伟诠WT8932 ISP 方案
2022-11-09
找方案 | 晶像光电 SOI JX-F53SA RGB-IR CMOS Image Sensor+伟诠WT8932 ISP 方案
2022-11-09
找方案 | 晶像光电 SOI JX-F53SA RGB-IR CMOS Image Sensor+伟诠WT8932 ISP 方案
2022-11-09

