APT3216SECK
超级明亮的橙色设备是用DH InGaAlP系(在GaAs基片)的发光二极管芯片。
制造商:
产品信息
特点
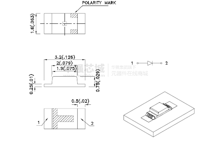
3.2mmx1.6mm SMT LED , 0.75毫米厚度。
低功耗。
广视角。
理想背光和指示。
各种颜色和种镜头可用。
包装: 2000PCS / REEL 。
湿度敏感度等级: 3级。
符合RoHS 。
应用案例
永华APT10-1 APT15-1 APT20-4A浴室换气
2009-02-28
金羚牌APT20-3-1 APT25-4-1 APT30-5
2009-06-09
永华牌APT系列天花板式 DPT12系列管道式换气扇电路图
2009-06-09
APT攻击技术的特点及网络安全防护模型与关键技术的介绍
2018-11-19
【工程师开发板使用测评】爱普特 APT32F110 ev board 试用测评连载02
2023-03-03
APT快速二极管功率模块面向大功率和高频应用
2006-03-13
【工程师开发板使用测评】爱普特 APT32F110 ev board 试用测评连载01
2023-03-03
当等保2.0遇上“网络攻击” APT预警平台如何发挥作用?
2019-06-10

