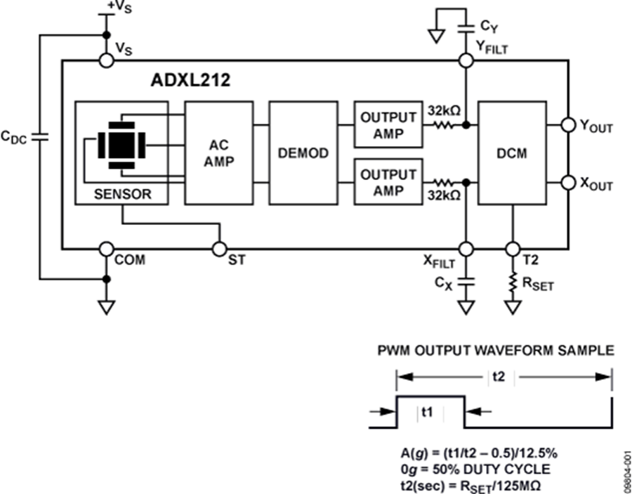
ADXL212
低成本±2g双轴加速计
制造商:ADI/AD
产品信息
优势和特点
在单芯片IC上实现高性能、单/双轴加速度计
5 mm × 5 mm × 2 mm、LCC封装
1 mg分辨率,60 Hz低功耗:VS = 5 V时700 μA(典型值)
高零偏稳定性
高灵敏度,温度范围–40°C至+125°C
脉冲宽度调制的数字输出
利用单个电容调整带宽
单电源供电
3500 g抗冲击能力,符合RoHS标准
与锡/铅和无铅焊接工艺兼容
产品详情
ADXL212是一款高精度、低功耗、单轴/双轴加速度计,提供占空比调制的输出,所有功能均集成于一个单芯片IC中,能以最小±2g的满量程范围测量加速度。ADXL212可同时测量动态加速度(例如震动)和静态加速度(例如重力)。典型本底噪声为110 μg/√Hz,因而在倾斜检测应用中,可以利用窄带宽(
该器件是ADXL202的100%引脚兼容替代产品。


