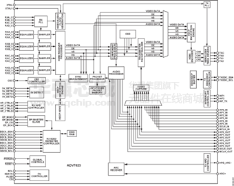
ADV7623
基于XPRESSVIEW™快速切换技术的HDMI 1.4收发器
制造商:ADI/AD
产品信息
产品详情
ADV7623是一款高性能4输入单输出高清多媒体接口(HDMI™)收发器,集成了带有数字音频输入和输出的HDMI接收器和发射器。借助ADI公司经全面测试的中继器软件库和驱动程序,该器件可支持所有的HDCP中继器功能。
ADV7623的所有HDMI输入端口均使用了Xpressview™快速切换技术。利用ADI公司可大幅降低软件开销的硬件HDCP引擎,Xpressview技术可在不到1秒的时间内在任何HDMI输入端口之间实现快速切换。
ADV7623不仅支持高至1080p、12位深色(Deep Color)的所有高清电视格式,还支持所有强制性要求的三维电视格式。另外,ADV7623还集成了支持发现和控制(CDC)功能的HDMI v1.4 CEC控制器。
ADV7623集成了OSD(屏幕显示)功能,可生成和控制高质量的基于字符和图标的系统状态,并对显示器进行控制。对OSD感兴趣的用户可利用ADI公司OSD的软件开发工具套件来开发。
ADV7623提供了一个灵活的音频专用输出端口和一个音频专用输入端口,可方便地从HDMI流中提取音频数据,或向HDMI流中插入音频数据。它支持所有HDMI音频格式,包括通过DSD输出的超级音频CD(SACD)、通过DST输出的压缩SACD和HBR等。另外,ADV7623还内置音频回传通道(ARC)接收器。由于把上行音频组合到传统HDMI电缆中,ARC简化了布线。
ADV7623由先进的CMOS工艺制造,采用144引脚20 mm × 20 mm无铅LQFP封装,额定温度范围为-20 ℃至+70℃。
优势特点
4输入单输出HDMI 1.4收发器
支持HDMI 1.4标准音频回传通道(ARC)支持三维电视内容类型位与CEC1.4兼容
所有HDMI端口均支持Xpressview快速切换
基于字符和图标的OSD
高带宽数字内容保护(HDCP 1.4)
支持HDCP中继器
225MHz HDMI接收和发射支持36-/30-/24位深色
支持60Hz下高达1600×1200分辨率的DVI RGB图像
支持60Hz下高达1600×1200分辨率的DVI RGB图像
规格参数

电路图、引脚图和封装图
应用案例
模拟多路复用器ADV3219和ADV3220性能介绍
2017-10-29
基于ADV212的高清视频压缩系统设计策略
2017-10-29
一款基于ADV7612双端口四通道HDMI多路复用接收机电路设计
2017-10-29
ADV7180 ―影像解码器 Video Decoder
2017-10-29
基于ADV7125的嵌入式系统VGA接口设计
2017-10-29
ADV7619:ADI Advantiv高级电视解决方案
2017-10-29
ADV7441A: 10-Bit Integrated,
2017-10-29
基于MTK7623N芯片的香蕉派 BPI-R2 ,智能通信物联网网关开发平台
2020-05-13



