ADV7604
带模拟接口的12位深色HDMI v1.3接收器
制造商:ADI/AD
产品信息
优势和特点
4路HDMI输入
支持HDMI® 1.3音频回传通道(ARC)支持3D TV内容类型位CEC 1.4兼容(CEC_CPD和CEC_HPD)
支持中继器
支持HDCP 1.3和 DVI 1.0
3个12位、170MHz ADC
12通道模拟输入多路复用
可对最高UXGA的RGB图形进行数字化处理
超低抖动数字PLL
产品详情
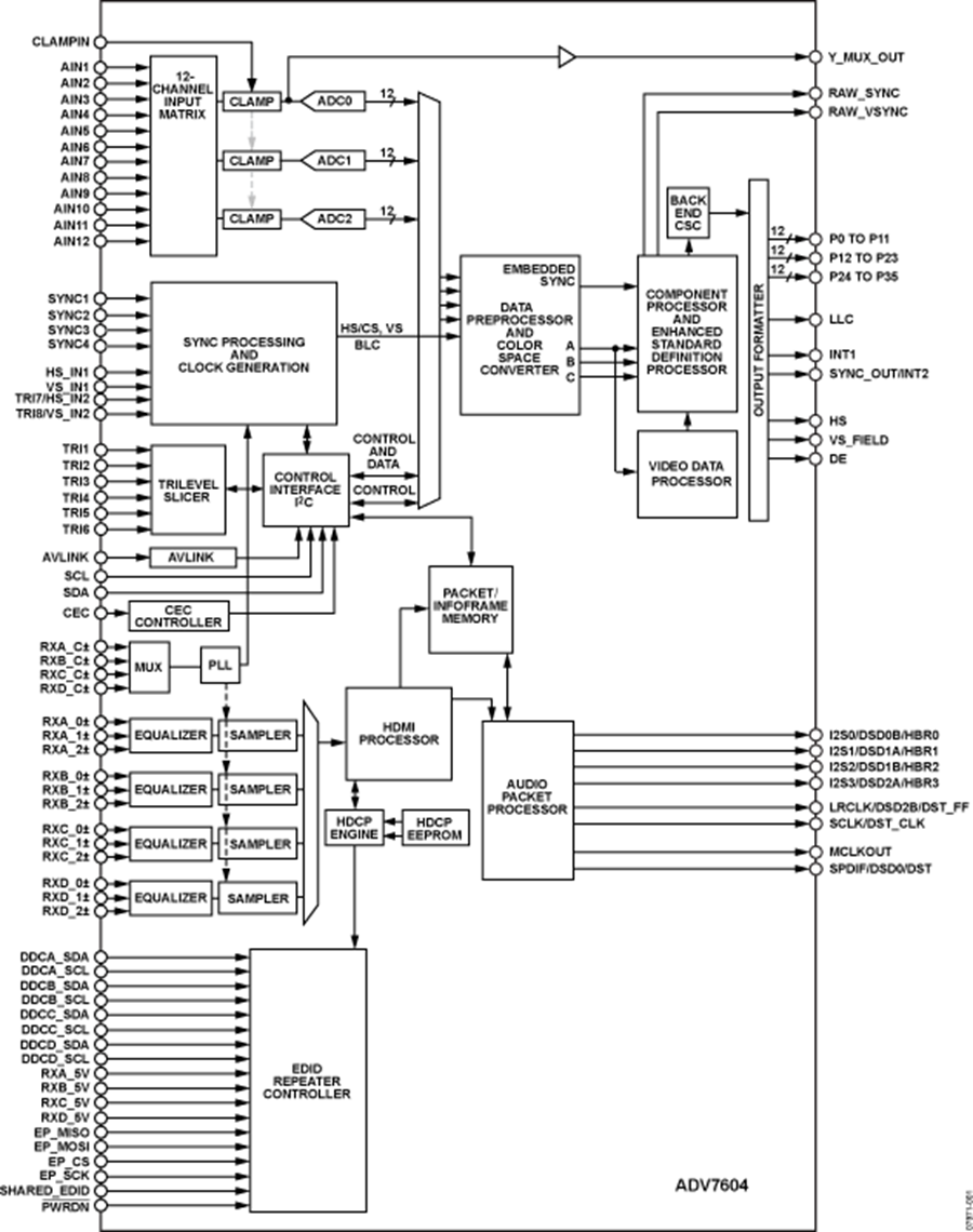
ADV7604 是一款高质量、单芯片、多格式视频解码器及图形数字化仪,并集成有4:1多路复用高清多媒体接口(HDMI™)接收器。该器件含有一个主分量处理器(CP),可处理YPrPb和RGB分量格式,包括RGB图形。CP还处理来自HDMI接收器的视频信号。ADV7604支持四路HDMI和模拟输入模式,因而同时具有HDMI和模拟视频同步处理能力,允许HDMI与ADC之间进行快速切换。
ADV7604 支持将RGB/YPrPb分量视频信号解码为数字YCrCb或RGB像素输出流。支持的分量视频包括525i、625i、525p、625p、720p、1080i、1080p和1250i等标准,以及许多其他高清和SMPTE标准。
该器件也支持图形数字化,能够对VGA至UXGA速率的RGB图形信号进行数字化处理,将其转换为数字RGB或YCrCb像素输出流。
该器件内置一个四路输入HDMI接收器,支持最高达1080p的所有高清电视格式,显示分辨率最高可达UXGA(1600 ×1200,60 Hz)。增加HDCP功能后,还能够接收加密视频。该HDMI接收器还具有可编程/自适应均衡特性,可确保该接口在最长30米的电缆条件下具有鲁棒的工作性能。HDMI接收器具有高级音频功能,其中包括静音控制器,用于消除音频输出中的外来声频噪声。
ADV7604 采用先进的CMOS工艺制造,提供260引脚、15 mm ×15 mm BGA表贴封装,节省空间,并且符合RoHS标准;额定温度范围为−40°C至+70°C。
应用
高级电视
等离子高清电视
液晶电视(支持高清电视)
液晶/DLP®背投式高清电视
CRT 高清电视
LCoS™ 高清电视
AVR视频接收机
液晶/DL前投式投影仪
带个人录像机功能的高清电视机顶盒
CRT 高清电视
支持逐行扫描输入的DVD刻录机


