ADUM6403
集成DC/DC转换器的四通道隔离器(1/3通道方向性)
制造商:ADI/AD
产品信息
优势和特点
isoPower 集成隔离式DC/DC转换器
3.3 V或5 V调节输出
最高500 mW输出功率
四个DC-25 Mbps (NRZ)信号隔离通道
施密特触发器输入
16引脚SOIC封装,爬电距离为7.6 mm
工作温度最高可达105°C
高共模瞬变抗扰度:>25 kV/µs
欲了解更多特性,请参考数据手册
产品详情
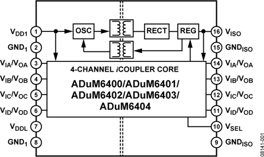
ADuM640x 均为四通道数字隔离器,集成isoPower®隔离式DC-DC转换器。该DC-DC转换器基于ADI公司的iCoupler® 技术,采用5.0 V(5.0V输入电源)或3.3 V电压(3.3V电源)时,可提供高达500 mW的稳压隔离功率;功率水平如表1所示。在低功耗隔离设计中,无需使用单独的隔离式DC-DC转换器。利用iCoupler芯片级变压器技术,能够隔离逻辑信号和DC-DC转换器的磁性元件,因此可提供小尺寸、完全隔离的解决方案。ADuM640x隔离器提供四个独立的隔离通道,支持多种通道配置和数据速率(更多信息请参考“订购指南”)。
isoPower 利用高频开关元件,通过其变压器传输功率。设计印刷电路板(PCB)布局时应特别小心,必须符合相关辐射标准。关于电路板布局建议,请参考ADI网站(www.analog.com)上的应用笔记AN-0971。
电路图、引脚图和封装图
在线购买
型号:ADUM6403CRWZ-RL
描述:-
型号:ADUM6403CRWZ
描述:-
型号:ADUM6403CRIZ-RL
描述:-
型号:ADUM6403CRIZ
描述:-
型号:ADUM6403ARWZ-RL
描述:-
型号:ADUM6403ARWZ
描述:-


