ADUM6401
集成DC/DC转换器的四通道隔离器(3/1通道方向性)
制造商:ADI/AD
产品信息
优势和特点
isoPower集成隔离式DC/DC转换器
3.3 V或5 V调节输出
最高500 mW输出功率
四个DC-25 Mbps (NRZ)信号隔离通道
施密特触发器输入
16-引脚SOIC封装,爬电距离为7.6 mm
工作温度最高可达105°C
高共模瞬变抗扰度:>25 kV/µs
欲了解更多特性,请参考数据手册
产品详情
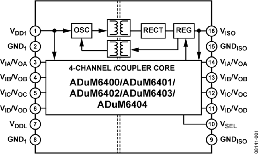
ADuM640x 均为四通道数字隔离器,集成isoPower®隔离式DC-DC转换器。该DC-DC转换器基于ADI公司的iCoupler® 技术,采用5.0 V(5.0V输入电源)或3.3 V电压(3.3V电源)时,可提供高达500 mW的稳压隔离功率;功率水平如表1所示。在低功耗隔离设计中,无需使用单独的隔离式DC-DC转换器。利用iCoupler芯片级变压器技术,能够隔离逻辑信号和DC-DC转换器的磁性元件,因此可提供小尺寸、完全隔离的解决方案。ADuM640x隔离器提供四个独立的隔离通道,支持多种通道配置和数据速率(更多信息请参考“订购指南”)。
isoPower 利用高频开关元件,通过其变压器传输功率。设计印刷电路板(PCB)布局时应特别小心,必须符合相关辐射标准。关于电路板布局建议,请参考ADI网站(www.analog.com)上的应用笔记AN-0971。
电路图、引脚图和封装图
在线购买
型号:ADUM6401CRWZ-RL
描述:-
型号:ADUM6401CRWZ
描述:-
型号:ADUM6401CRIZ-RL
描述:-
型号:ADUM6401CRIZ
描述:-
型号:ADUM6401ARWZ-RL
描述:-
型号:ADUM6401ARWZ
描述:-
技术资料
应用案例
ADUM1200ARZ数字隔离器:重新定义技术标准
2023-12-16
ADuM124x和ADuM144x系列数字隔离器
2019-08-01
ADUM347x icoupler数字隔离器的性能特点介绍
2019-07-17
DLPC6401 DLP® 数据处理器:特性、应用与设计要点解析
2025-12-15
LN6401系列高速低压差CMOS电压稳压器
2022-06-18
ADuM360N/ADuM362N 3.0 kV rms 6 通道数字隔离器技术手册
2025-05-29
ADuM520x和ADuM540x系列的性能介绍
2019-07-11
全差分放大器LTC6400-20/LTC6401-20的性能特点及适用范围
2021-01-29


