ADUC848
集成嵌入式62 kB Flash和单周期MCU的MicroConverter®多通道24/16位ADC
制造商:ADI/AD
产品信息
优势和特点
高分辨率Σ-Δ型ADC
ADuC845上提供2个独立的24位ADC
单通道16位ADC
所有器件上最多支持10个ADC输入通道
24位无失码
22位均方根(19.5位峰-峰值)有效分辨率
失调漂移10 nV/°C,增益漂移0.5 ppm/°C斩波使能
存储器
62 kB片内Flash/EE程序存储器
4 kB片内Flash/EE数据存储器
Flash/EE,保持时间:100年,耐久性为10万个周期
3级Flash/EE程序存储器安全
在线串行下载(无需外部硬件)
高速用户下载(5秒)
2304字节片内数据RAM
欲了解更多特性,请参考数据手册
产品详情
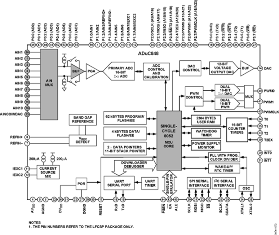
ADuC845、 ADuC847和ADuC848均为ADuC834和ADuC836的单周期、12.58 MIPs、8052内核升级版。内置额外的模拟输入,适合需要更多ADC通道的应用。
ADuC845、ADuC847和ADuC848均为完整的智能传感器前端。该系列产品在单芯片上集成提供灵活的多达10个通道、输入多路复用的高分辨率Σ-Δ型ADC、一个快速8位MCU和程序/数据Flash/EE存储器。
ADuC845在主ADC上集成了两个(主和辅助)24位Σ-Δ型ADC,提供内部缓冲和PGA性能。ADuC847与ADuC845(移除辅助ADC)集成了相同的主ADC。ADuC848是ADuC847的16位ADC版本。
ADC集成了灵活的输入多路复用器、温度传感器(仅ADuC845)和PGA(仅主ADC),可直接测量低电平信号。ADC具有片内数字滤波和可编程输出数据速率性能,主要用于测量宽动态范围和低频信号,例如电子秤、应变计、压力传感器或温度测量应用中的信号。
这些器件通过一个32 kHz晶振和片内PLL产生12.58 MHz的高频时钟信号。该时钟信号通过一个可编程时钟分频器进行中继,在其中产生MCU内核时钟工作频率。微控制器内核针对单周期8052进行优化,提供高达12.58 MIPs的性能,同时保持8051指令集兼容性。
提供62 kB、32 kB和8 kB非易失性Flash/EE程序存储器选项。片内还集成4 kB非易失性Flash/EE数据存储器和2304字节数据RAM。程序存储器可配置为数据存储器,以便在数据记录应用中提供最高60 kB的非易失性数据存储器。
片内出厂固件支持通过EA引脚进行在线串行下载和调试模式(通过UART)以及单引脚仿真模式。QuickStart™开发系统支持ADuC845、ADuC847和ADuC848,提供低成本软件和硬件开发工具。
应用
多通道传感器监控
工业/环境监测仪器仪表
电子秤、压力传感器、温度监控
便携式仪器仪表、电池供电系统
数据记录、精密系统监控
电路图、引脚图和封装图
在线购买
型号:ADUC848BSZ8-5
描述:-
型号:ADUC848BSZ8-3
描述:-
型号:ADUC848BSZ62-5
描述:-
型号:ADUC848BSZ62-3
描述:-
型号:ADUC848BSZ32-5
描述:-
型号:ADUC848BSZ32-3
描述:-
技术资料
AN-660: XY-Matrix Keypad Interface to MicroConverter® (Rev. 0)
AN-759: Expanding the Number of DAC Outputs on the ADuC8xx and ADuC702x Families (uC012) (Rev. 0)
AN-709: RTD Interfacing and Linearization Using an ADuC8xx MicroConverter® (Rev. 0)
AN-1139: Understanding the Parallel Programming Protocol (Rev. 0)



