ADRF6807
700 MHz至1,050 MHz正交解调器,集成小数N分频PLL和VCO
制造商:ADI/AD
产品信息
优势和特点
集成小数N分频PLL的IQ解调器
LO频率范围:700 MHz至1,050 MHz
针对下列规格(LPEN = 0)/(LPEN = 1):br>输入P1dB:12.8 dBm/11.7 dBm输入IP3:26.7 dBm/24.0 dBm噪声系数(DSB):13.1 dB/12.4 dB电压转换增益:1.0 dB/4.3 dB
正交解调精度相位精度:<0.5°幅度精度:<0.1 dB基带解调:170 MHz/135 MHz,3 dB带宽
通过SPI串行接口进行PLL编程
40引脚、6 mm × 6 mm LFCSP
产品详情
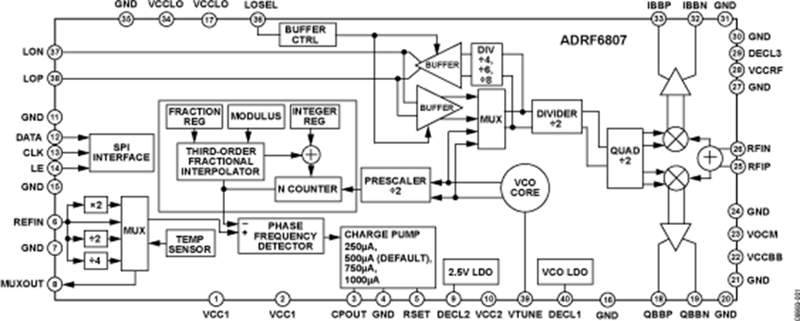
ADRF6807是一款高动态范围IQ解调器,集成锁相环(PLL)和电压控制振荡器(VCO)。小数N分频PLL/频率合成器产生2.8 GHz至4.2 GHz范围的频率。可编程正交分频器(分频比 = 4)将VCO输出频率分频至所需的本振(LO)频率,以便以正交方式驱动混频器。此外,输出分频器(分频比 = 4至8)产生一个分频VCO信号供外部使用。
PLL支持9 MHz至160 MHz范围内的输入基准频率。鉴相器输出控制一个电荷泵,其输出在片外环路滤波器中进行积分。然后,环路滤波器输出施加于一个集成式VCO。
IQ解调器将差分RF输入与源自正交分频器的复数LO混频。差分I和Q输出路径具有出色的正交精度,可以处理基带信号或最高120 MHz的复数中频信号。
通过对串行接口寄存器编程以降低功耗,还可提供低功耗工作模式,同时输入线性度和输出驱动电流略有降低。
ADRF6807采用先进的硅锗BiCMOS工艺制造,提供40引脚、裸露焊盘、符合RoHS标准的6 mm x 6 mm LFCSP封装。额定温度范围为-40°C至+85°C。
应用
QAM/QPSK RF/IF 解调器
蜂窝W-CDMA/CDMA/CDMA2000
微波点对(多)点无线电
宽带无线和WiMAX
电路图、引脚图和封装图
在线购买
型号:ADRF6807ACPZ-R7
描述:-
应用案例
Analog Devices Inc. ADRF5301 SPDT开关评估板特性/应用/示意图
2025-06-18
Analog Devices Inc. ADRF5048-EVALZ评估板数据手册
2025-06-12
Analog Devices Inc. ADRF5022-EVALZ 评估板数据手册
2025-06-11
【新品发布】大电流宽压输入线性稳压器ZL6807
2022-12-02
致远微电子推出大电流宽压输入线性稳压器ZL6807
2022-12-01
【新品发布】大电流宽压输入线性稳压器ZL6807
2022-12-02
ADRF6820是一款高度集成的解调器和频率合成器
2022-11-15
ADRF5301 SPDT 37 GHz至49 GHz硅开关技术手册
2025-03-05

