ADP1710
150 mA、低压差、CMOS线性稳压器
制造商:ADI/AD
产品信息
优势和特点
最大输出电流:150 mA
输入电压范围:2.5 V至5.5 V
高效驱动小负载,零负载时IGND = 35 μA ,100 μA负载时IGND = 40 μA
低关断电流:小于1 μA
低压差:150 mV(150 mA负载)
初始精度:±1%
线路、负载和温度精度:±2%
利用1 μF小型陶瓷输出电容可实现稳定工作
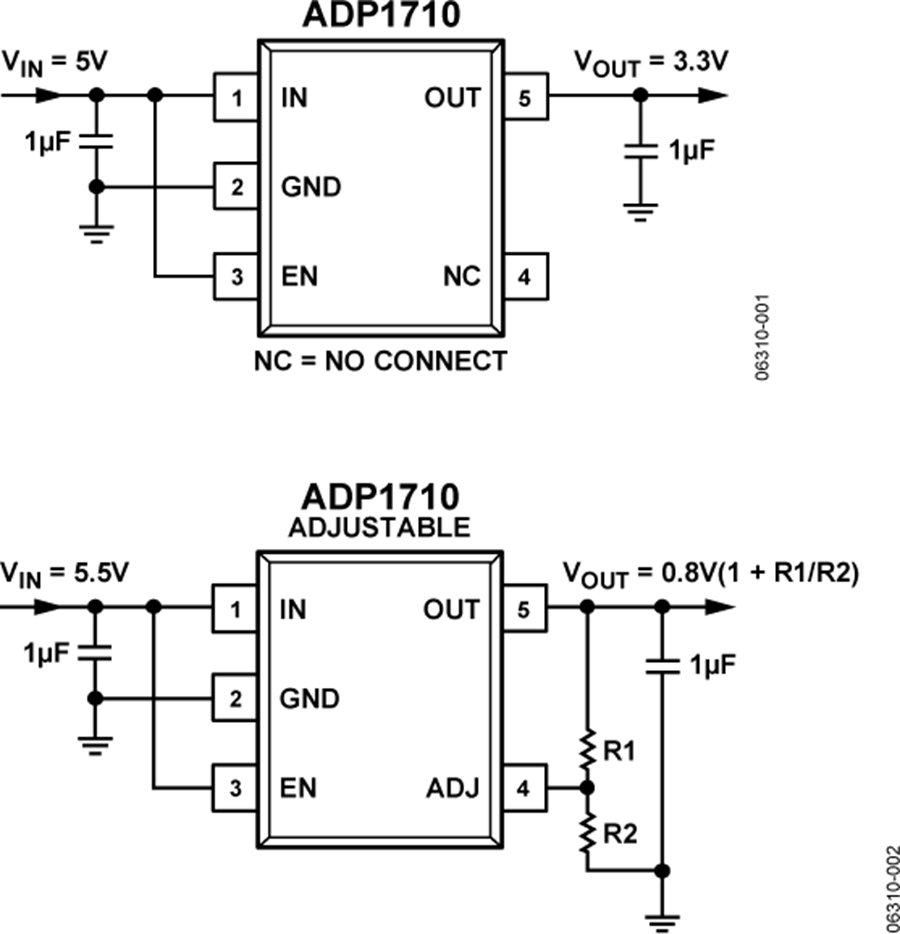
16种固定输出电压选项:0.75 V至3.3 V (ADP1710)
可调输出电压选项:0.8 V至5.0 V(ADP1710可调型号)
具有基准电压旁路特性,提供16种固定输出电压选项:0.75 V至3.3 V (ADP1711)
高电源抑制比(PSRR):69 dB (1 kHz)
产品详情
ADP1710/ADP1711均为低压差线性稳压器,采用2.5 V至5.5 V电源供电,最大输出电流为150 mA。这些器件采用新颖的缩放架构,驱动100 μA负载时所汲取的地电流非常低(40 μA),因而是电池供电便携式设备的理想选择。ADP1710和ADP1711均提供16种固定输出电压选项。ADP1710还提供可调型号产品,允许通过一个外部分压器在0.8 V至5 V范围内调节输出电压。ADP1711可以连接一个基准电压旁路电容,不仅降低输出电压噪声,还可改善电源抑制性能。
ADP1710/ADP1711经过优化,利用1 μF小型陶瓷输出电容可实现稳定工作,同时提供良好的瞬态性能,而占用的电路板空间则极小。使能引脚控制这两款器件的输出电压。此外还具有一个欠压闭锁电路;如果输入降至最小阈值以下,闭锁电路将禁用稳压器。
内部软启动的典型启动时间为80 μs。短路保护和热过载保护电路可以防止器件在不利条件下受损。ADP1710和ADP1711均采用5引脚小型TSOT封装,是适合电源应用的业界最小尺寸解决方案。
应用
移动电话
数码相机和音频设备
便携式电池供电设备
后DC-DC调节
在线购买
型号:ADP1710AUJZ-R7
描述:-
型号:ADP1710AUJZ-3.3-R7
描述:-
型号:ADP1710AUJZ-3.0-R7
描述:-
型号:ADP1710AUJZ-2.5-R7
描述:-
型号:ADP1710AUJZ-1.8-R7
描述:-
型号:ADP1710AUJZ-1.2-R7
描述:-
应用案例
低压差稳压器ADP3333ARMZ-5产品分析
2023-07-07
ADI推出多路输出调节器ADP5041和ADP5040
2012-02-02
ADP162组成的2.8V固定电压输出电路
2011-02-20
D类数字功放芯片LX1710/LX1711的电气特性、原理和应用分析
2020-08-23
微软发布Windows 10 IoT预览版build 17101
2018-08-05
PFC控制器ADP1047/ADP1048的特性及典型应用电路
2021-03-11
ADP504x/ADP503x高性能集成电源管理单元产品
2019-07-09
ADI推出两款LED闪光灯驱动器ADP1660和ADP1649
2012-11-26




