ADP1051
用于带PMBus接口隔离式电源的数字控制器
制造商:ADI/AD
产品信息
优势和特点
多功能、数字电压模式控制器
高速、输入电压正馈控制
6个脉冲宽度调制(PWM)逻辑输出,625ps分辨率
开关频率:49 kHz至625 kHz
主机和从机设备频率同步
多种节能模式
用于优化效率的自适应停滞时间补偿
低器件功耗: 100 mW(典型值)
欲了解更多特性,请参考数据手册
产品详情
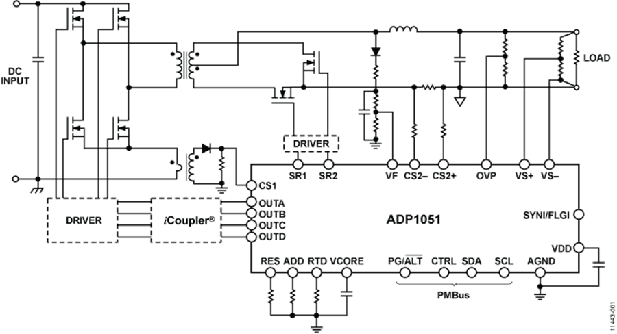
ADP1051是一款带PMBusTM 接口的先进的数字控制器,用于高密度、高效DC-DC功率转换。该控制器通过高速输入线路正馈实现电压模式控制,从而改善瞬态和噪声性能。ADP1051具有6个可编程脉冲宽度调制(PWM)输出,可控制带有额外同步整流(SR)控制的最高效的电源拓扑。该器件具有自适应停滞时间补偿,可提高负载范围内效率,可编程轻负载工作模式配合器件的低功耗特性,则可降低系统待机功率损耗。ADP1051集成多种特性,能够实现稳健的并行和冗余工作系统,从而满足高可应用性或并行连接的客户需求。该器件提供同步、反向电流保护和预偏置启动功能,可在电源之间实现精确均流,并且采用有条件的过压技术,能够在并行工作模式下识别并安全关断故障电源。
ADP1051基于灵活的状态机架构,采用直观的GUI进行编程。易于使用的接口缩短了设计周期,因此构成一个加载于内置EEPROM的稳定硬件编码系统。小型(4 mm × 4 mm) LFCSP封装让ADP1051成为超级紧凑、隔离型DC-DC功率模块或嵌入式电源设计的理想选择。
应用高密度、隔离式DC/DC电源中间总线转换器高可用性并行电源系统
服务器、存储器、工业、网络和通信基础设施
技术资料
应用案例
SIT1051QTK/3芯片可pin to pin完美替代TJA1051TK/3
2023-01-07
SIT1051QTK/3芯片可pin to pin完美替代TJA1051TK/3
2023-01-07
SIT1051QTK/3芯片可pin to pin完美替代TJA1051TK/3
2023-01-07
低压差线性稳压器ADP1712/ADP1713/ADP1714介绍
2023-07-07
SIT1051QTK/3芯片可pin to pin完美替代TJA1051TK/3
2023-01-07
SIT1051QTK/3芯片可pin to pin完美替代TJA1051TK/3
2023-01-07
SIT1051QTK/3芯片可pin to pin完美替代TJA1051TK/3
2023-01-07
CAN FD芯片SIT1051双电源异步上电通信应用
2022-03-01


