ADN2830
平均功率控制器,适用于连续波(CW)激光器
制造商:ADI/AD
产品信息
优势和特点
偏置电流范围:4 mA至200 mA
监控光电二极管电流:50 µA至1200 µA
对平均功率进行闭环控制
激光失效和激光降级报警
自动激光关断(ALS)
电流参数监控
温度范围:-40°C至+85°C
产品详情
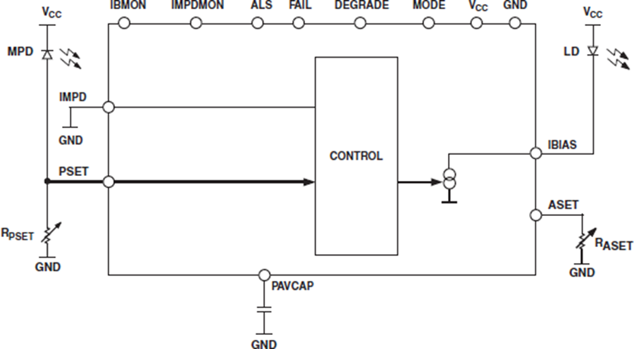
ADN2830经过初始工厂设置之后,可对连续波(CW)激光二极管(LD)的平均光功率进行闭环控制。控制环路通过调整激光偏置电流来维持恒定的背光监控光电二极管(MPD)电流,从而使激光功率保持不变。外部PSET电阻在工厂设置时进行调整,以设置所需的光功率。针对激光失效(寿命终结)和激光降级(即将失效)这两种情况,该器件还提供可编程报警功能。ADN2830采用+5 V单电源供电,提供5mm x 5mm LFCSP-32引脚框架芯片级封装。
电路图、引脚图和封装图
在线购买
型号:ADN2830ACPZ32
描述:-
型号:ADN2830ACP32-REEL7
描述:-
型号:ADN2830ACP32-REEL
描述:-
型号:ADN2830ACP32
描述:-

