ADM6315
具有开漏输出的微处理器监控电路,采用4引脚SOT-143封装
制造商:ADI/AD
产品信息
优势和特点
可以在整个温度范围内工作
低功耗:5 μA(典型值)
精密电压监控器,监控电压范围:2.5 V至5 V(以100 mV递增)
复位置位低至VCC > 1 V
复位超时周期:1 ms、20 ms、140 ms或1120 ms(最小值)
内置手动复位功能
与ADM811引脚兼容
提供SOT-143封装
产品详情
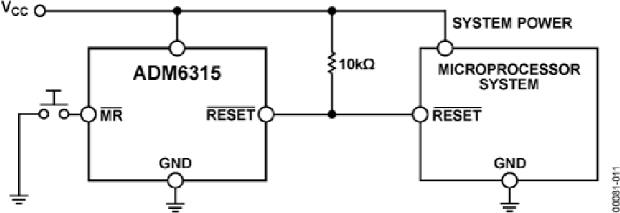
ADM6315是一款可靠的电压监控器件,适合大多数电压监控应用。ADM6315用来监控仅1.8%的电源电压下降。该器件可以监控从2.5 V至5 V的所有电压(以100 mV递增)。
该电路含有一个去抖手动复位输入。利用一个普通开关(将MR 拉至低电平)、或者其它数字设备的一个低电平输入、以及电源电压下降均可以激活RESET 。
手动复位功能非常有用,特别是ADM6315所在的工作电路进入只有用户才能检测到的状态时。允许用户手动复位系统可以降低系统失控或闭锁可能引起的损害或危险
ADM6315采用节省成本和空间的SOT-143封装。
应用
微处理器系统
控制器
智能仪器
汽车系统
安全系统
便携式仪器仪表
在线购买
型号:ADM6315W31D2ARTZR7
描述:-
型号:ADM6315-46D4ARTZR7
描述:-
型号:ADM6315-46D3ARTZR7
描述:-
型号:ADM6315-45D2ARTZR7
描述:-
型号:ADM6315-44D4ARTZR7
描述:-
型号:ADM6315-44D3ARTZR7
描述:-



