ADM2914
四通道欠压/过压正/负电压监控器
制造商:ADI/AD
产品信息
优势和特点
四通道UV/OV正/负电压监控器
最多可监控2个负供电轨
可调欠压和过压输入阈值
整个温度范围内的高阈值精度:±1.5%
1 V缓冲基准电压输出
开漏欠压和过压输出
可调复位超时,具有禁用选项
保证输出有效范围:VCC可低至1 V
欲了解更多特性,请参考数据手册
ADM2914-EP支持防务和航空航天应用(AQEC标准)下载ADM2914-EP数据手册(pdf)
工作温度范围:−55°C至+125°C
V62/12655 DSCC图纸号
产品详情
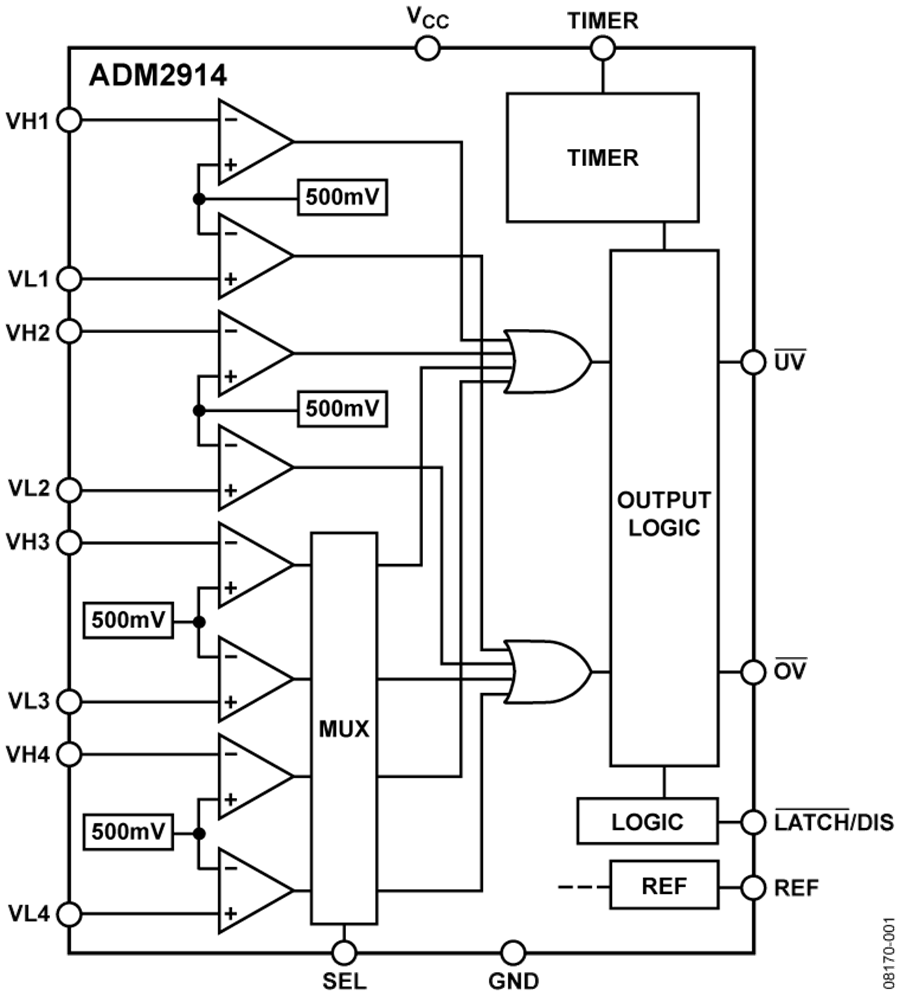
ADM2914/ADM2914-EP是一款四通道电压监控器IC,非常适合监控各种应用中的多个供电轨。
每个受监控的供电轨均有两个专用输入引脚VHx和VLx,利用这些引脚可以监控每个供电轨是否发生过压(OV)及欠压(。(UV)状况。每个受监控的电压轨均共用一个通用低电平有效欠压(OV) 和过压(OV)引脚。
ADM2914含有一路1 V缓冲基准电压输出REF;当监控负电压时,它可充当偏置电压。三态SEL引脚决定第三路和第四路输入的极性,即通过引脚配置该器件来监控正电源或负电源。
该器件内置分流稳压器,因而可以用于电压较高的系统。此特性要求在主供电轨与VCC引脚之间放置一个电阻,用来限制流入VCC引脚的电流,使之不超过10 mA。ADM2914使用内部分流稳压器来调节VCC,以防电源线路电压超过绝对最大额定值。
ADM2914提供三种型号。ADM2914-1可提供锁存过压输出,该输出可通过切换LATCH输入引脚予以清零。ADM2914-2具有一个禁用引脚,它可以使过压和欠压输出引脚无效,从而禁用过压和欠压输出信号。ADM2914-EP的工作温度范围为-55°C至+125°C扩展温度范围。
ADM2914采用16引脚QSOP封装,工作温度范围为−40°C至+125°C;ADM2914-EP的工作温度范围为−55°C至+125°C扩展温度范围。
应用
服务器电源监控
FPGA/DSP内核和I/O电压监控
电信设备
医疗设备
电路图、引脚图和封装图
在线购买
型号:ADM2914-2ARQZ-RL7
描述:-
型号:ADM2914-2ARQZ
描述:-
型号:ADM2914-1SRQZEP-R7
描述:-
型号:ADM2914-1SRQZEP
描述:-
型号:ADM2914-1ARQZ-RL7
描述:-
型号:ADM2914-1ARQZ
描述:-
技术资料
应用案例
如何适配OpenHarmony自有音频框架ADM?
2022-05-16
单片多种电源监视/定序器件ADM1066的主要特性及开发应用
2021-04-06
企业正在向ADM空间中的打包技术解决方案和托管合同数字化转型
2020-03-02
ADM2582E隔离数据收发器的适用范围分析
2019-07-17
选型手册:MOT2914J 双 N 沟道增强型 MOSFET
2025-11-11
ADM3055E/ADM3057E适用于CAN FD的5 kV rms信号和电源隔离式CAN
2025-05-27
ADM2682E/ADM2687E隔离收发器系列的性能分析
2019-07-15
ADM7150 800 mA、超低噪声/高 PSRR LDO
2023-04-14


