ADM12914
±0.8%精度、四通道UV/OV正/负电压监控器
制造商:ADI/AD
产品信息
优势和特点
提供中文数据手册
四通道欠压/过压(UV/OV)正/负电压监控器
最多可监控两个负供电轨
可调欠压和过压输入阈值
扩展温度范围内业界领先的阈值精度:±0.8%
1 V缓冲基准电压输出
开漏欠压和过压复位输出
可调复位超时,具有禁用选项
保证输出范围:VCC可低至1 V
欲了解更多特性,请参考数据手册
产品详情
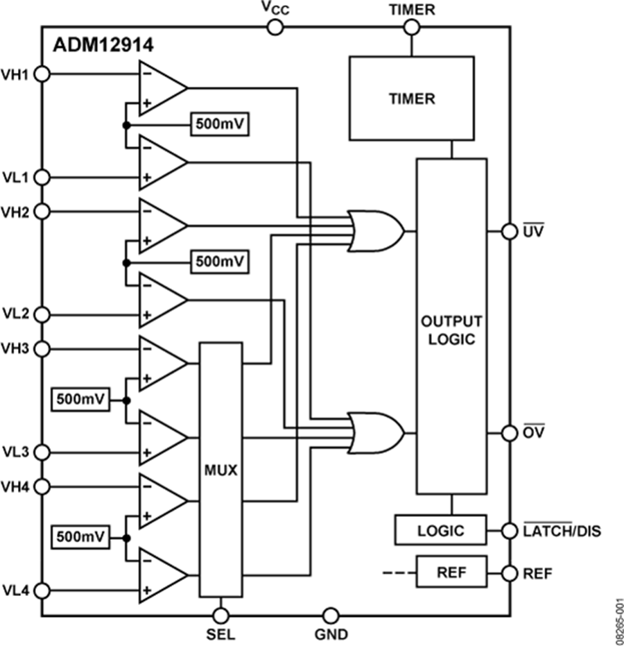
ADM12914是一款四通道电压监控器IC,提供业界领先的±0.8%阈值精度,非常适合监控各种应用中的多个供电轨。每个受监控的供电轨均有两个专用输入引脚VHx和VLx,利用这些引脚可以监控每个供电轨是否发生过压(OV)及欠压(UV)状况。所有受监控的供电轨均共用一个通用欠压(/UV)输出引脚和一个通用过压(/OV)输出引脚。
ADM12914含有一路1 V缓冲基准电压输出REF;当监控负电压时,它可充当偏置电压。三态SEL引脚决定第三路和第四路输入的极性,即通过引脚配置该器件来监控正电源或负电源。
该器件内置分流稳压器,因而可以用于电压较高的系统。此特性要求在主供电轨与VCC引脚之间放置一个电阻,用来限制流入VCC引脚的电流,使之不超过10 mA。ADM12914使用内部分流稳压器来调节VCC,以防电源线路电压超过绝对最大额定值。
ADM12914提供两种型号。ADM12914-1可提供锁存过压输出,该输出可通过切换LATCH输入引脚予以清零。ADM12914-2具有一个禁用引脚,它可以使过压和欠压输出引脚无效,从而禁用过压和欠压输出信号
ADM12914采用16引脚QSOP封装,额定温度范围为−40°C至+125°C扩展温度范围。
应用
服务器电源监控
内核和I/O电压监控
电信设备
医疗设备
电路图、引脚图和封装图
在线购买
型号:ADM12914-2ARQZ-RL7
描述:-
型号:ADM12914-2ARQZ
描述:-
型号:ADM12914-1ARQZ-RL7
描述:-
型号:ADM12914-1ARQZ
描述:-
应用案例
ADM2682E/ADM2687E 16Mbps、5 kV rms信号和电源隔离RS-485
2025-06-05
如何适配OpenHarmony自有音频框架ADM?
2022-05-16
单片多种电源监视/定序器件ADM1066的主要特性及开发应用
2021-04-06
企业正在向ADM空间中的打包技术解决方案和托管合同数字化转型
2020-03-02
ADM2582E隔离数据收发器的适用范围分析
2019-07-17
ADM7150 800 mA、超低噪声/高 PSRR LDO
2023-04-14
ADM2682E/ADM2687E隔离收发器系列的性能分析
2019-07-15
ADM3055E/ADM3057E收发器CAN FD端口上IEC 61000-4-5浪涌保护的解决方案
2023-07-11




