AD8398A
单端口VDSL2线路驱动器,具有关断功能
制造商:ADI/AD
产品信息
优势和特点
电压反馈型
宽输出摆幅18.4 V峰峰值差分,(RLOAD, DIFF = 20 Ω ,12 V电源)
高输出电流线性输出电流:450 mA峰值
低失真−65 dBc(8b型,20.4 dBm)−55 dBc(17a型,14.5 dBm)
高速带宽:85 MHz(AV DIFF = 5)
产品详情
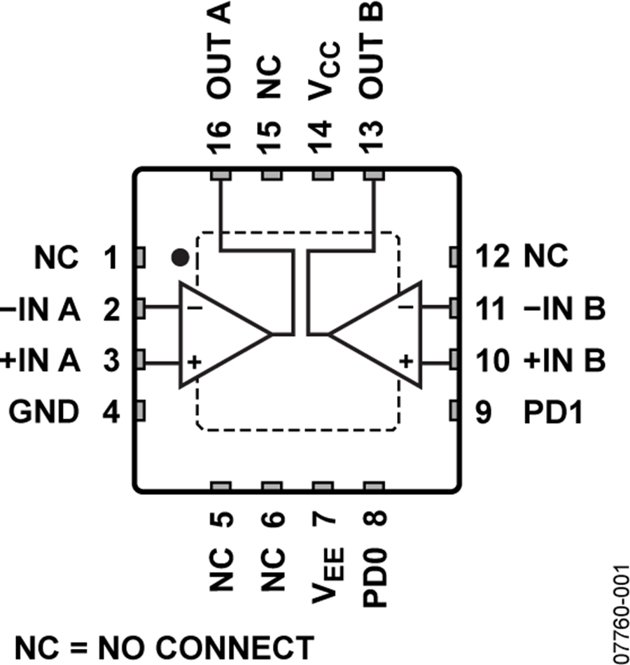
AD8398A内置两个高速电压反馈型运算放大器。当配置为差分线路驱动器时,该器件是ADSL2+、VDSL2和电源线路通信(PLC)应用的理想选择。它具有高输出电流、高带宽、快速压摆率以及出色的MTPR和共模稳定性。该器件采用散热增强型4 mm × 4 mm、16引脚LFCSP封装。AD8398A通过两个CMOS兼容型控制引脚PD0和PD1提供电源管理功能。利用这些引脚可以选择四种工作模式之一:全功率、中等功率、低功率或完全关断。关断模式下,静态电源电流降至0.7 mA。
AD8398A的工作温度范围为−40°C至+85°C工业温度范围。
应用
ADSL2+/VDSL2 CO/CPE线路驱动器
PLC 线路驱动器
消费型xDSL调制解调器
双绞线线路驱动器
电路图、引脚图和封装图
应用案例
苹果a16与a17芯片的区别 a17芯片比a16
2023-09-26
D/A和A/D转换概述及例题练习
2023-02-07
AD8276/AD8277 低功耗,宽电源范围,低成本单位增
2009-08-23
AD5291/AD5292 具有业界最佳电阻容差的数字电位计
2008-09-16
利用AD9958/AD9959多通道DDS实现相位相干FSK调制器的设计
2019-06-12
基于AD7147和AD7148的医疗保健设计方案【电容数字转换器技术】
2018-01-30
采用AD693AD构成的测温范围0°C~600°C的电路图
2009-07-17
AD9520/AD9522 时钟发生与分配IC,实现最佳器件
2008-10-08



