AD8334
内置超低噪声前置放大器和可编程输入电阻(RIN)的四通道VGA
制造商:ADI/AD
产品信息
优势和特点
超低噪声(前置放大器 )电压噪声 = 0.74 nV/√Hz电流噪声 = 2.5 pA/√Hz
3 dB带宽: 100 MHz
低功耗: 每通道145 mW
带宽: 100 MHz (-3 dB)
可编程后置放大器提供宽增益范围LO增益模式:−4.5 dB至+43.5 dBHI增益模式:7.5 dB至55.5 dB
折合到输入端的噪声低:48 nV/√Hz(典型值)
有源输入阻抗匹配
针对10位/12位ADC优化
可选输出钳位电平
AD8334提供引脚架构芯片级封装
产品详情
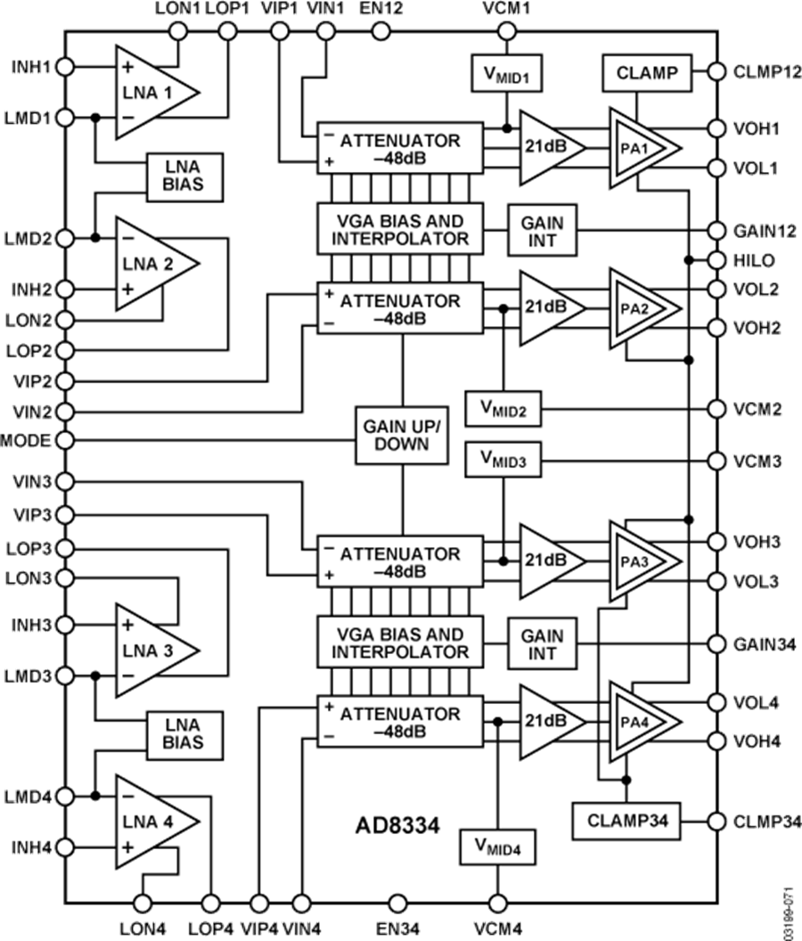
AD8334是一款超低噪声、四通道线性dB可变增益放大器(VGA),针对超声系统应用进行了优化,但也可用作任何工作频率小于100 MHz应用中的低噪声可变增益控制元件。各通道内置一个超低噪声前置放大器(LNA)、一个48 dB增益范围的X-AMP® VGA以及一个具有可调输出限制功能的可选增益后置放大器。LNA增益为19 dB,具有单端输入和差分输出。LNA输入阻抗可以利用一个电阻来调节,以便与信号源相匹配,且不影响噪声性能。
VGA的48 dB增益范围使这些器件适合各种不同的应用。带宽在整个增益范围内可保持出色的一致性。对于40 mV至1 V范围内的控制电压,增益控制接口可提供精确的50 dB/V线性dB调整。通过工厂调整可确保器件间及通道间具有出色的增益匹配特性。差分信号路径提供出色的二次和三次失真性能及低串扰。
AD8334为四通道版本,AD8331为单通道版本,AD8332为双通道版本。
欲了解更多技术规格信息,请参考AD8332数据手册。
应用超声和声纳
高性能AGC系统
I/Q信号处理
高速ADC驱动器


