AD8295
精密仪表放大器,内置信号处理放大器
制造商:ADI/AD
产品信息
优势和特点
节省电路板空间
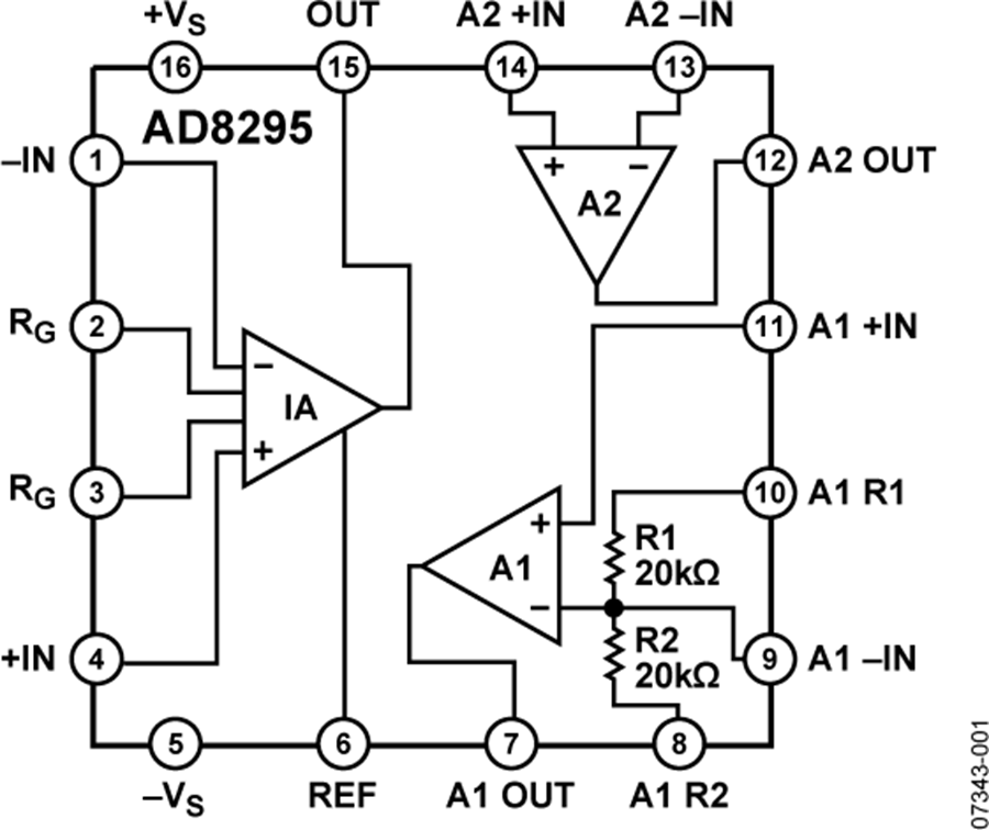
内置精密仪表放大器、2个运算放大器,以及2个匹配电阻
4 mm × 4 mm LFCSP封装
无需散热金属块,可提供更多布线空间
完全符合规定的差分输出
宽电源电压范围:±2.3 V至±18 V
仪表放大器性能指标: 利用单个外部电阻设置增益(增益范围: 1至1000)最大输入电压噪声:8 nV/√Hz, @ 1 kHz最小CMRR:90 dB(G = 1) 最大输入偏置电流:0.8 nA-3 dB带宽:1.2 MHz (G = 1) 压摆率:2 V/µs
最大增益漂移:1 ppm/°C,电阻匹配:0.03%
产品详情
AD8295在4 mm × 4 mm小型封装内集成了精密仪表放大器前端所需的全部器件,其中包含一个高性能仪表放大器、两个通用运算放大器和两个精密匹配的10 kΩ电阻。AD8295有助于实现轻松且高效的印制电路板布线。AD8295器件布局合理,其典型应用电路仅需较短布线和少量过孔。与大多数芯片级封装不同,AD8295器件背面没有裸露的金属焊盘,从而节省了额外的布线与过孔空间。AD8295采用4 mm × 4 mm LFCSP封装,需要的电路板空间仅为8引脚SOIC封装的一半。
AD8295包含一个高性能可编程增益仪表放大器,其增益可编程范围为1至1000,利用单个电阻即可进行设置。AD8295具有低噪声和出色的共模抑制特性,即使在存在大型共模干扰的情况下,也能够轻松探测微弱信号。欲了解未集成相关信号调理电路的类似仪表放大器,请参考AD8221或AD8222数据手册。
AD8295采用单电源或双电源供电,非常适合使用±10V输入电压的应用。在-40°C至+85°C的整个工业温度范围内,AD8295所有级别的产品均能保证性能。AD8295的工作温度范围为-40°C至+125°C;欲了解器件在高达125°C温度下的工作特性,请参考典型性能特性部分。
应用
工业过程控制
惠斯登电桥
精密数据采集系统
医疗仪器
应变计
传感器接口
差分输出
Data Sheet, Rev 0,11/2008
电路图、引脚图和封装图
在线购买
型号:AD8295BCPZ-WP
描述:-
型号:AD8295BCPZ-RL
描述:-
型号:AD8295BCPZ-R7
描述:-
型号:AD8295ACPZ-WP
描述:-
型号:AD8295ACPZ-RL
描述:-
型号:AD8295ACPZ-R7
描述:-

