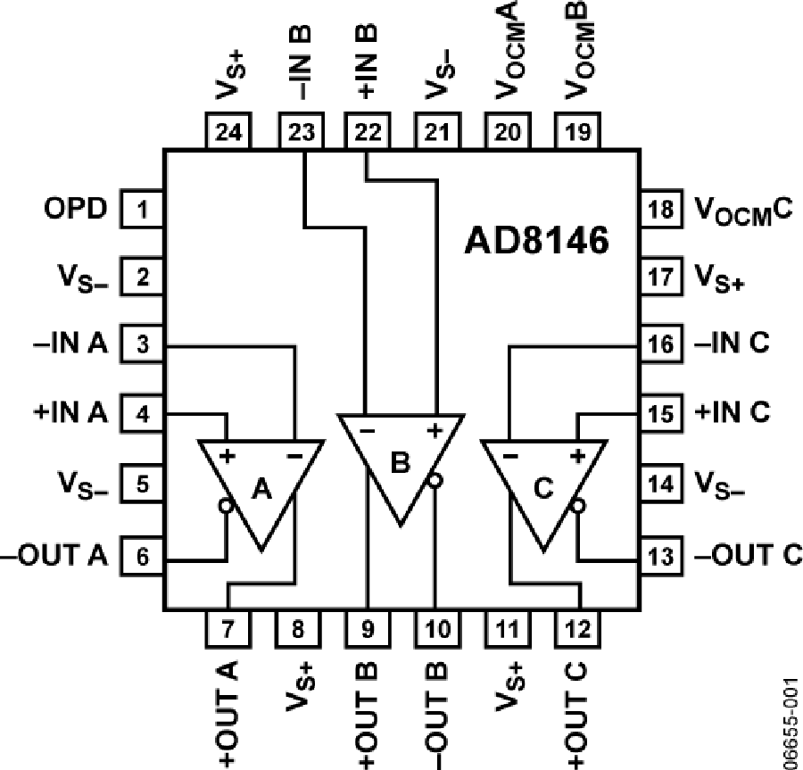
AD8146
用于宽带视频的三路差分驱动器
制造商:ADI/AD
产品信息
优势和特点
三路高速完全差分驱动器−3 dB、2 V 峰峰值带宽(AD8146/AD8148):700 MHz−3 dB、2 V 峰峰值带宽(AD8147):600 MHz0.1 dB、2 V 峰峰值带宽:200 MHz压摆率:3000 V/µs
固定增益(AD8146/AD8147:G = 2,AD8148:G = 4)
差分或单端输入至差分输出可以用作差分至差分接收器
驱动1条或2条100 Ω UTP电缆
可调输出共模电压(AD8146)
内部共模反馈网络输出平衡误差:-50 dB(50 MHz)
片内共模同步编码(AD8147/AD8148)
用于线路隔离的输出下拉特性
低功耗:57 mA(5 V,3个驱动器,AD8146)
宽电源电压范围:+5 V至±5 V
提供4 mm x 4 mm 小型LFCSP封装
产品详情
.line { color: #ff0000;}AD8146/AD8147/AD8148均为三路、高速、差分或单端输入至差分输出驱动器。AD8146和AD8147具有固定增益2,AD8148具有固定增益4。三款器件均专为最高分辨率分量视频信号而设计,但也可用于在5类UTP电缆或差分印刷电路板(PCB)传输线路上传输任何类型的模拟信号或高速数据。这些器件可以配合三路差分至单端接收器AD8145和交叉点开关AD8117使用,以便获得能够支持UXGA或1080p信号的视频分配系统。
这些驱动器采用ADI公司的第二代XFCB双极性工艺制造,具有700 MHz大信号带宽和快速压摆率。三者均具有内部共模反馈特性,在50 MHz时可提供于-60 dB达成的输出振幅和相位匹配平衡,能够抑制偶数阶谐波并使辐射电磁干扰(EMI)降至最小。
AD8146输出的共模电压可以设置为任何电平,以便在共模电压上传输信号。AD8147和AD8148可在输出的共模电压下对垂直和水平同步信号进行编码。所有输出均可独立地设置为低压状态,以便配合串联二极管进行线路隔离,方便在同一双绞线电缆上进行差分多路复用。
AD8146/AD8147/AD8148采用24引脚LFCSP封装,工作温度范围为−40°C至+85°C。
应用
QXGA或1080p视频传输
KVM网络
无屏蔽双绞线(UTP)视频传输
差分信号多路复用
数据手册, Rev. 0, 5/07


