AD8145
内置比较器的高速、三路差分接收器
制造商:ADI/AD
产品信息
优势和特点
高速:500 MHz,2000 V/µs(G = 1),Vo = 2 V峰峰值
0.1 dB平坦度带宽:100 MHz (G = 1)
高共模抑制比(CMRR):69 dB (10 MHz)
高差分输入阻抗:1 MΩ
宽输入共模范围:±3.8 V(±5 V电源)
片内增益设置电阻可针对增益1或2进行配置
0.01%快速建立时间: 15 ns2 V p-p
折合到输入端的低噪声: 13 nV/√Hz
禁用特性
小型封装: 32引脚 5 mm x 5 mm LFCSP
通过AEC-Q10认证(AD8145W)
产品详情
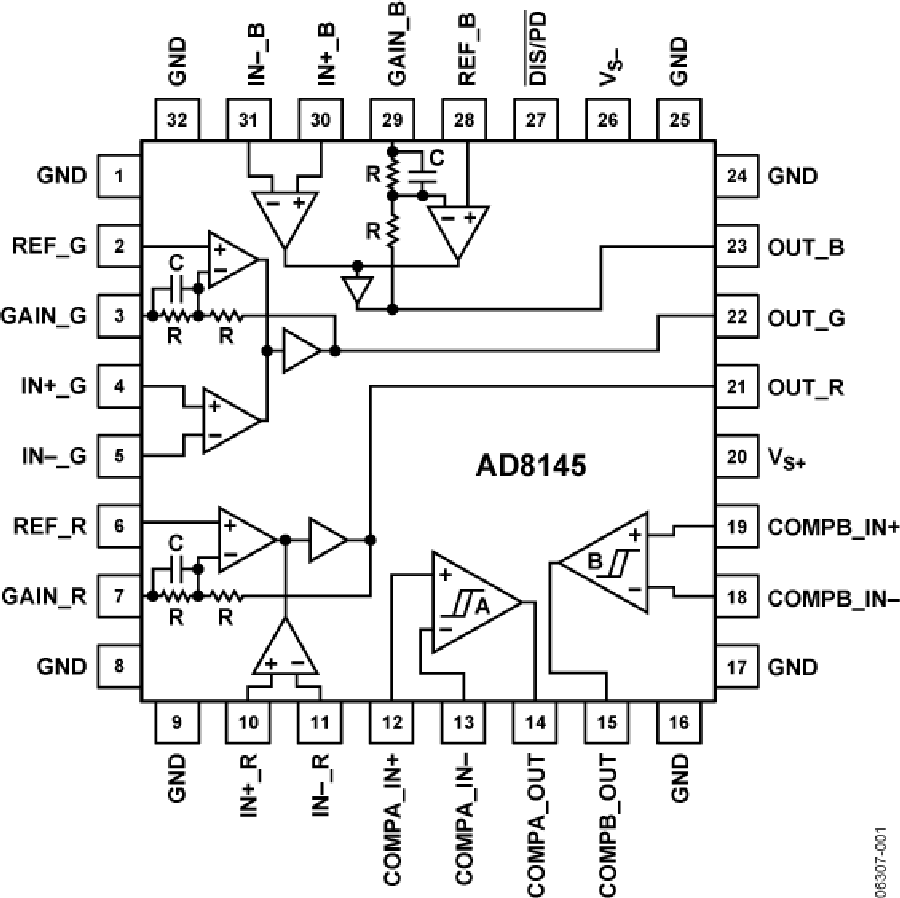
.line { color: #ff0000;}.line1 { color: #ff0000;}AD8145是一款三路、低成本、差分至单端接收器,专为通过双绞线电缆或差分印刷电路板迹线接收红绿蓝(RGB)视频信号而设计,也可用于接收任何类型的模拟信号或进行高速数据传输,还内置两个具有迟滞特性的辅助比较器,可以用来解码在接收共模电压下编码的视频同步信号,以便接收数字信号,或用作通用型比较器。AD8145可与三路、差分驱动器AD8133或AD8134配合使用,为通过5类UTP电缆传输RGB信号应用(包括KVM)提供完整的低成本解决方案。
AD8145具有出色的共模抑制比(10 MHz时为69 dB),因而可以在高噪声环境中使用低成本的无屏蔽双绞线电缆。
通过将每个通道的GAIN_x引脚连接到对应的输出(G = 1)或连接到基准电压(G = 2)(通常接地),AD8145可配置为差分至单端增益1或2。
每个通道上提供REF_x输入,允许设计人员对输出信号进行电平转换。
AD8145W为汽车应用级产品,已通过AEC-Q100汽车应用认证。 更多详情参见"汽车应用级产品"部分。
AD8145采用5 mm × 5 mm、32引脚LFCSP封装,工作温度范围为-40℃至+105℃扩展工业温度范围。
应用案例
杰盈JY-SYDC-20-62HP铁皮耦合器:10-540MHz宽频的“功率管控钢铁侠”
2025-11-23
用户指南#使用UCC24612-1EVM二次侧同步整流器控制器二极管更换板
2025-02-25
杰盈JY-SYDC-20-31HP+耦合器:1.5-30MHz低频段的“功率监测铁三角
2025-11-23
爱普生SG-8101CE可编程晶振赋能智能手机的精准心脏
2025-02-25
HA-2640 4MHz、高电源电压运算放大器应用笔记
2025-02-25
基于高光谱深度特征的油菜叶片锌含量检测
2025-02-25
深入探索DWDM非相干传输应用,易飞扬引领高效经济网络传输新纪元
2025-06-11
使用UCC28780EVM-021、45W、20-V基于高密度硅(Si)的有源箝位反激转换器/评估模块
2025-02-25

