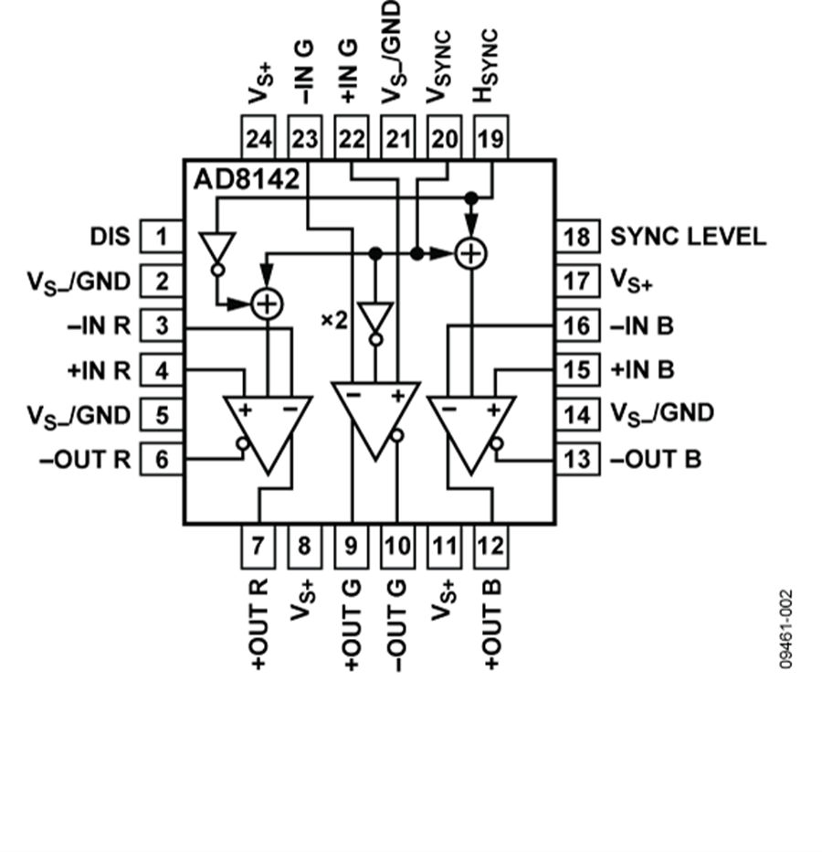
AD8142
用于宽带视频的低成本三路差分驱动器
制造商:ADI/AD
产品信息
优势和特点
三路高速差分驱动器-3 dB大信号带宽:255 MHz0.1 dB平坦度:65 MHz压摆率:1150 V/μs建立时间:12 ns
5V单电源或分离电源供电
固定增益:2
内部共模反馈网络输出平衡误差:−50 dB (50 MHz)
AD8142集成共模同步电路
禁用时支持高Z输出
差分转差分或单端转差分操作
放大器间高隔离:100 dB (10 MHz)
低功耗:44 mA (5V)
提供节省空间的封装:4 mm × 4 mm LFCSP
产品详情
AD8141和 AD8142 均为三路、低成本、差分或单端输入至差分输出驱动器。每个放大器均具有固定增益2,以补偿线路终端电阻的衰减。AD8141和AD8142专为RGB信号而设计,但也可用于任何类型的信号。这些放大器以经济有效的CMOS工艺制成,具有极快的压摆率和建立时间。针对高分辨率视频而优化,0.1 dB平坦度为65 MHz,支持通过任何类型的UTP线缆驱动高分辨率视频。这些驱动器均具有内部共模反馈环路,提供输出幅度和相位匹配,50 MHz时的平衡误差为-50 dB,能够抑制偶数阶谐波并使辐射电磁干扰(EMI)降至最小。
AD8142具有独特的共模同步特性,用户可以在3个共模通道上传输平衡的水平和垂直视频同步信号。另外,AD8141和AD8142均提供禁用特性,置位时,可产生高阻抗输出,为线路隔离和多路复用创造了便利条件。
AD8141和AD8142采用24引脚4 mm × 4 mm LFCSP封装,工作温度范围为−40°C至+85°C。这些器件可以配合三路差分至单端接收器AD8145 、三路均衡器 AD8123 、三路延迟线 AD8120 和交叉点开关 AD8117 或 AD8175 使用,从而打造出高分辨率的视频分配系统。
应用
键盘-视频-鼠标(KVM)网络
视频分配
数字标牌
安保摄像头


