AD8104
600 MHz、32 × 16缓冲式模拟交叉点开关
制造商:ADI/AD
产品信息
优势和特点
高通道数、32 × 16、高速、非阻塞式开关阵列
差分或单端工作
差分增益G = +1 (AD8104)或G = +2 (AD8105)
与32 x 32开关阵列 AD8117/AD8118兼容
灵活的电源
采用+5 V单电源或±2.5 V双电源供电
可对开关阵列进行串行或并行编程
出色的视频性能
>50 MHz 0.1 dB增益平坦度
0.05%差分增益误差(RL = 150 Ω)
0.05°相位误差(RL = 150 Ω)
利用高阻抗输出禁用功能,多个器件可以相连,且输出总线上的负载极小
出色的交流性能
>带宽:600 MHz
压摆率:1800 V/μs
建立时间:2.5 ns (1%)
低功耗:1.7 W
所有不利串扰低
< −70 dB (5 MHz)
< −40 dB (600 MHz)
利用复位引脚可以禁用所有输出(通过一个电容与地相连可提供上电复位功能)
304引脚BGA封装(31 mm × 31 mm)
产品详情
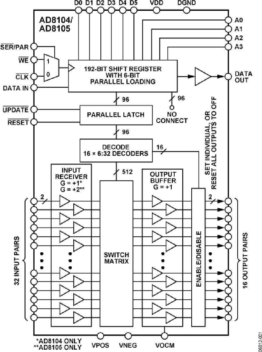
AD8104/AD8105均为高速、32 × 16模拟交叉点开关矩阵,具有600 MHz带宽和1800 V/μs压摆率,适用于高分辨率计算机图形(RGB)信号开关。两款器件的串扰性能均低于-70 dB,隔离性能为-90 dB (5 Mhz),因而适合许多高速应用。同时0.1 dB平坦度大于50 MHz,堪称复合视频开关的理想之选。
AD8104/AD8105内置16个独立输出缓冲器,可以将这些缓冲器置于高阻抗状态,以提供并行交叉点输出,因此关断通道仅向输出总线提供极小的负载。AD8104具有差分增益+1,而AD8105则具有差分增益+2,适合后部端接负载应用。二者既可用作完全差分器件,也可配置为单端工作模式。两款器件可以采用+5 V单电源或±2.5 V双电源供电,所有输出均使能时的空闲功耗仅为340 mA。通道切换通过双缓冲式、串行数字控制接口(允许以菊花链形式连接多个器件)或者并行控制接口实现;各路输出可以独立更新,无需对整个阵列重新编程。
AD8104/AD8105采用304引脚BGA封装,工作温度范围为−40°C至+85°C工业温度范围。
应用
高速信号路由,包括:
RGB和分量视频路由
KVM
压缩视频(MPEG、小波)
数据通信
电路图、引脚图和封装图
在线购买
型号:AD8104ABPZ
描述:-



