AD7244
12/14位DAC、3 V嵌入式齐纳基准电压源、DAC
制造商:ADI/AD
产品信息
优势和特点
两个12/14位DAC,内置输出放大器AD7242:12位分辨率AD7244:14位分辨率
快速建立时间AD7242:3 µs(达到±1/2 LSB)AD7244:4 µs(达到±1/2 LSB)
片内基准电压源
高速串行接口
采用±5 V电源供电
额定温度范围:-40°C至+85°C采用塑料封装
低功耗:130 mW(典型值)
产品详情
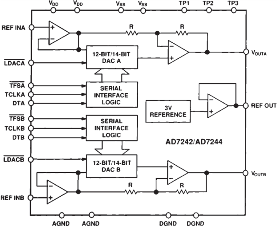
AD7242/AD7244分别是快速、完整、双通道、12/14位电压输出数模转换器,内置一个12/14位DAC、3 V嵌入式齐纳基准电压源、DAC输出放大器和高速串行接口逻辑。
两款DAC均采用串行接口,使引脚数量最少,并且允许采用小尺寸封装。由于采用标准控制信号,所以能够与大多数DSP处理器和微控制器进行接口。各DAC均具有单独的LDAC输入,因此可以对两个DAC的更新进行异步控制。
AD7242/AD7244采用±5 V电源供电,提供±3 V模拟输出范围。利用REF OUT/REF IN(基准电压源:外部/内部)功能,这些DAC既可以采用3 V片内基准电压源驱动,也可以采用外部基准电压源驱动。
AD7242/AD7244采用线性兼容CMOS (LC2MOS)工艺制造,这是一种将精密的双极性电路与低功耗CMOS逻辑相结合的先进混合工艺技术。两款器件均提供两种封装:0.3英寸宽、24引脚塑料或密封双列直插式封装(DIP)和28引脚、塑料小形集成封装(SOIC)。AD7242和AD7244采用相同的引脚排列,便于从12位轻松升级为14位性能。
电路图、引脚图和封装图
在线购买
型号:AD7244JRZ-REEL
描述:-
型号:AD7244JRZ
描述:-
型号:AD7244JNZ
描述:-
型号:AD7244AQ
描述:-
型号:5962-9164701MLA
描述:-
应用案例
LMH1226低功耗双路输出12G超高清时钟恢复器详解
2025-12-19
LoRa+Mesh,利尔达烽火组网方案破解覆盖与灵活难题
2025-12-13
明远智睿 SSD2351 核心板:性价比的新标杆
2025-08-15
IDC发布中国超融合软件市场占有率排名数据,SmartX位列第一
2024-04-16
MR30分布式IO模块助力药品包装行业焕新升级
2024-12-02
中国车联网产业全景:看清“车-路-云”的协同生态
2026-01-21
移远通信再推系列高性能卫星、5G、GNSS及三合一组合天线
2024-04-24
MAX77960B/MAX77961B:2S/3S锂离子电池USB - C降压 - 升压充电器深度解析
2026-02-13


