AD584JNZ
该AD584有8端子精密电压基准产品引脚可编程选择的四种常用输出电压:10.000 V, 7.500 V, 5.000 V2.500V.其他输出电压,上方,下方,或者之间的四个标准输出,可以使用由增加外部电阻器
制造商:
产品信息
特点
四个可编程输出电压
10.000 V, 7.500 V, 5.000 V,和2.500 V
激光微调,以高准确度
无需外部元件
修剪温度系数
15 PPM / ° C(最大值) , 0 ° C至70 ° C( AD584K )
15 PPM / ° C(最大值) , -55 ° C至+ 125°C ( AD584T )
零输出选通端提供
2 ,负端参考:能力( 5 V及以上)
输出源和汇电流
低静态电流为1.0 mA(最大值)
10毫安电流输出能力
MIL -STD- 883可提供标准版本
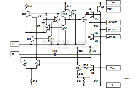
电路图、引脚图和封装图
应用案例
Intel第八代酷睿i58400评测 性能提升明显平民六核
2019-01-29
华为第一季度智能手机市场份额反超苹果 销量约为5840万台
2019-05-31
i7-7820HQ搭配全速Thunerbolt 3!戴尔推出Latitude 5840高端商用笔记本
2017-02-21
京瓷推0.35mm间距连接器5843系列 实现产品小型化、薄型化及高密度安装
2013-05-09
单片机教程十三:单片机条件转移指令
2009-05-16
TE Connectivity推出热电偶
2019-04-23
使用AD584电压参考和晶体管实现大功率并联稳压器的设计
2021-03-16
新唐科技W584AP017(OTP)主板简介
2020-01-17



