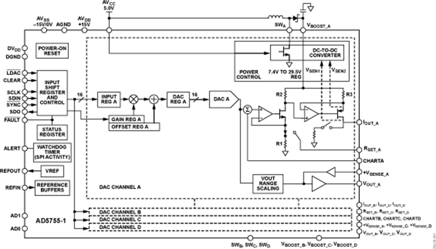
AD5755-1
四通道、16位、串行输入、4-20mA和电压输出DAC,提供动态电源控制和HART连接
制造商:ADI/AD
产品信息
优势和特点
16位分辨率和单调性
用于热管理的动态电源控制
电流和电压输出引脚可连接到一个引脚
IOUT范围:0ma–20ma、4mA–20mA或0mA–24mA±0.05% TUE(总非调整误差)(最大值)
VOUT范围:0-5V、0-10V、±5V、±10V±0.04% TUE(最大值),提供20%超范围选项
用户可编程失调与增益
片内诊断
片内基准电压源(±5 ppm/°C,典型值)
温度范围:−40°C至+105°C
其他评估板信息如果购买此产品的评估板模型,则还需要系统演示平台(SDP)。二者一起使用,构成客户评估环境的一部分。

