AD5725
四通道、12位、并行输入、单极性/双极性、电压输出DAC
制造商:ADI/AD
产品信息
优势和特点
工作电压:+5 V至±15 V
单极性/双极性工作
积分非线性(INL)误差:±0.5 LSB(最大值);微分非线性(DNL)误差:±1 LSB(最大值)
建立时间:10 μs(最大值,10 V阶跃)
双缓冲输入
通过LDAC同时更新
异步CLR清零至零电平或中间电平
回读
工作温度范围:-40℃至+85℃
iCMOS®工艺技术
产品详情
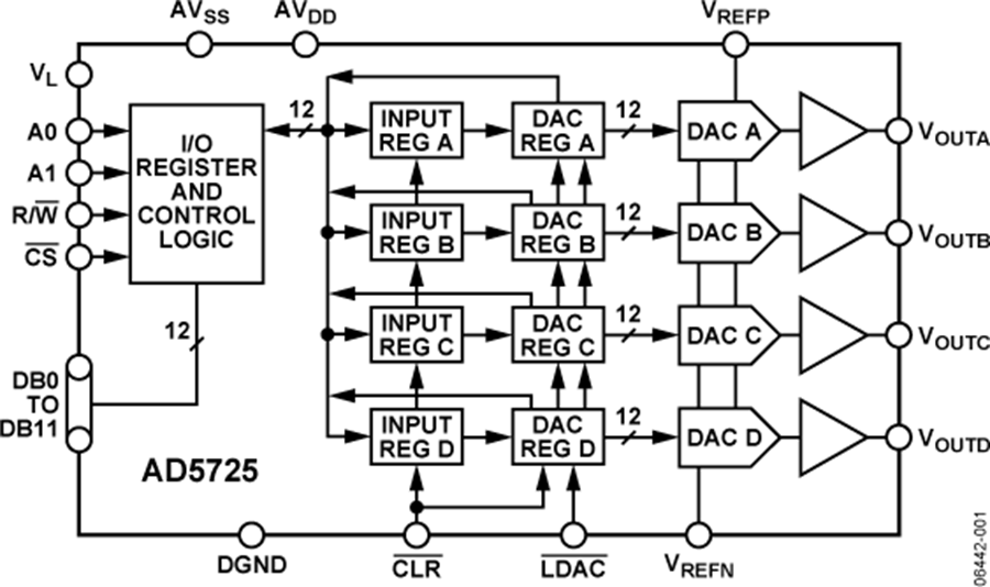
AD5725 是一款四通道、12位、并行输入、电压输出的数字模拟转换器,能够保证单调性,提供±0.5 LSB的最大积分非线性和10 μs的最大建立时间。输出电压摆幅由两个参考输入VREFP和VREFN设置。当VREFN输入设置为0V且VREFP设置为正电压时,DAC可提供单极性正输出范围。采用类似的配置,即VREFP设置为0 V且VREFN为负电压时,DAC可提供单极性负输出范围。双极性输出通过VREFP和VREFN均与非零电压相连来配置。这种设置输出电压范围的方法不依赖于温度系数不同的内部与外部电阻,因此优于双极性偏移方法。 数字控制允许用户从任何DAC加载或回读数据,加载任何DAC,并一次将数据传输至所有DAC。 AD5725采用28引脚SSOP封装。它可以采用各种电源和基准电压工作,电源电压范围为+5 V至±15 V单电源,基准电压范围为+2.5 V至±10 V。采用±15 V电源供电时,功耗低于270 mW;采用+5 V电源供电时,功耗仅为40 mW。该器件的工作温度范围为−40°C至+85℃。
应用-工业自动化-闭环伺服控制、过程控制-汽车测试与测量 -可编程逻辑控制器
数据库手册,Rev. 0, 7/07
电路图、引脚图和封装图
在线购买
型号:AD5725BRSZ-REEL
描述:-
型号:AD5725BRSZ-500RL7
描述:-
型号:AD5725BRSZ-1500RL7
描述:-
型号:AD5725ARSZ-REEL
描述:-
型号:AD5725ARSZ-500RL7
描述:-
型号:AD5725ARSZ-1500RL7
描述:-
应用案例
Arduino × M5Stack重磅推出物联网新旗舰—Arduino Nesso N1,重新定义开发边界!
2025-11-15
工业自动化如何选型?天硕工业级SSD接口指南赋能高效部署
2025-10-31
安建半导体推出1200V-17mΩ SiC MOSFET
2024-01-21
DAC6574:低功耗10位电压输出DAC的卓越之选
2025-12-04
瑞萨电子全新RA8系列MCU产品介绍
2024-11-10
西门子发布全新PAVE360 Automotive数字孪生软件
2026-01-01
ADF4350集成VCO的宽带频率合成器技术手册
2025-04-26
汇川技术与福耀集团签订全面科技合作协议,共启行业革新篇章
2024-04-20


