AD5689RARUZ
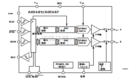
该AD5689/AD5687成员属于nanoDAC + ™家人低功耗,双通道, 16位/ 12位缓冲电压输出数字 -模拟转换器(DAC ) 。
制造商:
产品信息
特点
高相对精度( INL ) :± 2 LSB(最大值)的16位
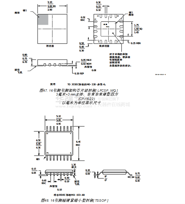
微型封装为3mm ×3毫米, 16引脚LFCSP封装
周二:± FSR最大为0.1%
偏移误差: ± 1.5 mV(最大值)
增益误差:± FSR的最大值为0.1%
高驱动能力:20毫安, 0.5伏的电源轨
1或2 ( GAIN引脚)用户可选增益
复位至零标度或中间电平( RSTSEL引脚)
1.8 V逻辑兼容
50MHz的SPI与回读或菊花链
低毛刺: 0.5 nV-sec表示
强劲的4千伏HBM和1.5千伏FICDM ESD额定值
低功耗: 3.3 mW的3 V
2.7 V至5.5 V电源供电
-40 ° C至+ 105 °C温度范围



