AD5660BRJZ-1500RL7
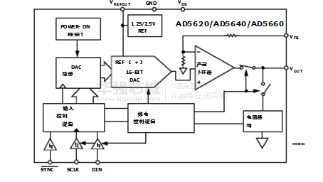
在AD5620 / AD5640 / AD5660 ,成员nanoDAC®系列器件,低功耗,单, 12位/ 14位/ 16位,缓冲电压输出数模转换器,并通过设计保证单调。
制造商:
产品信息
特点
低功耗,单
nanoDACs
AD5660 :16位
AD5640 : 14位
AD5620 : 12位
12位精度保证
片, 1.25 V / 2.5 V , 5 PPM / °C基准
微型8引脚SOT- 23 / MSOP封装
掉电到480 nA的@ 5 V , 200 nA的3 V
3 V / 5 V单电源供电
保证16位单调性设计
上电复位至零/中间电平
3种省电功能
串行接口采用施密特触发输入
轨到轨工作
SYNC中断风貌




