AD5560
1.2A可编程器件电源,集成16位电平设置DAC
制造商:ADI/AD
产品信息
产品详情
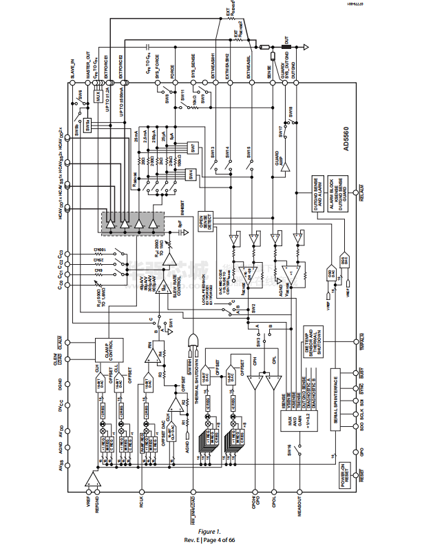
AD5560是一款高性能、高集成度器件电源,提供可编程的驱动电压和测量范围。该产品包括所需的DAC电平,用以设置驱动放大器的可编程输入,此外还包括箝位和比较器电路。片内集成用于DAC功能的失调和增益校正功能。它提供多种可编程测量电流范围,包括五种内部固定范围和两种分别提供最高1.2 A和500 mA电流的外部可选范围(EXTFORCE1和EXTFORCE2)。高电流电平时可实现的电压范围受裕量和最大功耗限制。通过并联或联合多个DPS器件,可以实现1.2 A以上的电流范围或高电流与高电压组合。发生过流、过温状况时,它会提供开漏报警输出,或者在SENSE、DUTGND线上提供开尔文报警。
该DPS的功能通过一个与SPI™、QSPI™、MICROWIRE™、DSP接口标准兼容的简单三线式串行接口控制,接口时钟速度最高可达50 MHz。
应用
自动测试设备(ATE)
器件电源
优势特点
优势和特点
可编程器件电源(DPS)
FV、MI、MV、FNMV功能
5个内部电流范围(片内RSENSE)
±5 μA、±25 μA、±250 μA、±2.5 mA、±25 mA
2个外部高电流范围(外部RSENSE)
EXTFORCE1:±1.2 A(最大值)
EXTFORCE2:±500 mA(最大值)
集成可编程电平
全部为16位DAC:驱动DAC、比较器DAC、箝位DAC、失调DAC、OSD DAC、DGS DAC
可编程开尔文箝位和报警
片内集成失调和增益校正寄存器
驱动DAC提供斜坡电源压摆模式
可编程压摆率特性:1 V/μs至0.3 V/μs
DUTGND开尔文检测和报警
25 V FV跨度,可在−22 V至+25 V范围内非对称工作
片内集成比较器
可联合多个器件以提供更高的电流
保护放大器
系统PMU连接
电流箝位
芯片温度传感器和关断特性
片内集成二极管测温阵列
可通过诊断寄存器访问内部节点
开漏报警标志(温度、电流箝位、开尔文报警)
SPI/MICROWIRE/DSP兼容型接口
64引脚(10 mm × 10 mm)TQFP封装,带裸露焊盘(顶部)
72引脚(8 mm × 8 mm)倒装芯片BGA封装
规格参数





