AD5544
4通道、电流输出、串行输入、16/14位DAC
制造商:ADI/AD
产品信息
优势和特点
16位分辨率积分非线性(INL):±1 LSB(B级)
满量程电流:2 mA ± 20%,VREF = ±10 V
±0.1%建立时间:0.9 μs
乘法带宽:12 MHz
中间电平毛刺:−1 nV/s
中间电平或零电平复位
4个单独的四象限乘法基准电压输入
紧凑型28引脚SSOP和32引脚LFCSP
欲了解更多特性,请参考数据手册
AD5544-EP支持防务和航空航天应用(AQEC标准)下载AD5544-EP数据手册 (pdf)
军用温度范围 (−55°C to +125°C)
受控制造基线
唯一封装/测试厂
唯一制造厂
增强型产品变更通知
认证数据可应要求提供
V62/12663 DSCC图纸号
产品详情
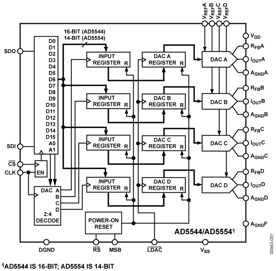
AD5544/AD5554分别是16/14位、电流输出数模转换器(DAC),工作电压范围为2.7 V至5.5 V。
满量程输出电流由所施加的外部基准输入电压(VREFX)决定。与外部电流至电压精密放大器配合使用时,集成的反馈电阻(RFB)可提供温度跟踪和满量程电压输出。
双缓冲串行数据接口利用串行数据输入(SDI)、芯片选择(CS)和时钟(CLK)信号,提供高速、三线式、SPI和微控制器兼容型输入。采用多个封装时,还可以通过串行数据输出引脚(SDO),将这些DAC以菊花链形式相连。利用共用的电平敏感型、加载DAC选通(LDAC)输入,可以通过先前加载的输入寄存器同时更新所有DAC输出。此外,在系统通电时,内部上电复位功能可迫使输出电压处于零电平。MSB引脚允许进行系统复位置位(RS),从而在MSB = 0时将所有寄存器强制为零电平代码,或在MSB = 1时强制为半量程代码。
AD5544采用紧凑型28引脚SSOP和32引脚LFCSP封装。AD5554采用紧凑型28引脚SSOP封装。
应用
自动测试设备
仪器仪表
数字控制校准
电路图、引脚图和封装图
在线购买
型号:AD5544SRS-EP
描述:-
型号:AD5544BRSZ-REEL7
描述:-
型号:AD5544BRSZ
描述:-
型号:AD5544ARSZ-REEL7
描述:-
型号:AD5544ARSZ
描述:-
型号:AD5544ARS
描述:-


