AD5535B
32通道、14位DAC,满量程输出电压可编程范围为50 V至200 V
制造商:ADI/AD
产品信息
优势和特点
高度集成-- 集成高电压输出放大器的32通道、14位denseDAC®
保证单调性
采用15 mm × 15 mm CSP_BGA封装
满量程输出电压 -- 可通过基准输入进行编程,从50 V至200 V
550 µA驱动能力
集成硅二极管用于温度监控
DSP/微控制器兼容串行接口
1.2 MHz通道更新速率
异步/RESET设置
温度范围:-10℃至+85℃
产品详情
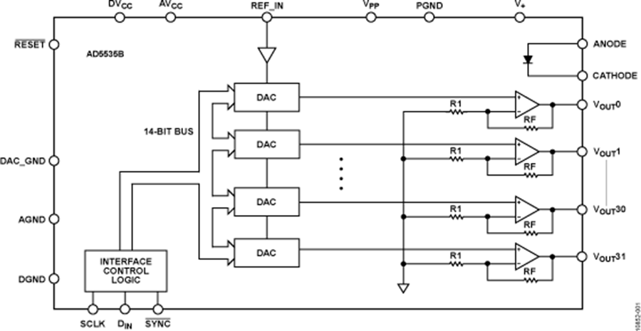
AD5535B是一款带片内高压输出放大器的32通道、14位denseDAC®。该器件设计用于光学微机电系统。输出电压范围可以通过REF_IN引脚编程设置。当REF_IN = 1 V时,输出范围为0 V至50 V;当REF_IN = 4V时,输出范围为0 V至200 V。每个放大器可以提供700 μA的电流输出,特别适用于偏转和控制光学MEMS镜。选定的数模转换器(DAC)寄存器通过三线式接口写入。该串行接口能够以最高30 MHz的时钟速率工作,并且与DSP和微控制器接口标准兼容。
该器件在AVCC = 4.75 V至5.25 V、DVCC = 2.7 V至5.25 V、V+ = 4.75 V至5.25 V、VPP 最高为225 V的情况下工作。REF_IN在AD5535B内部进行缓冲并由一个稳定的基准电压源驱动。.
应用
光微机电系统(MEMS)
光学交叉点开关
采用压电执行器的微定位应用
汽车测试和测量中的电平设置


